今回は、瞬間接着剤原料を製造する化学プラントの減圧蒸留工程で、反応缶を真空に引く真空排気システムを紹介させていただきます。
皆さんも一度は瞬間接着剤のお世話になったことがあると思いますが、瞬間接着剤の主成分にはシアノアクリレートという有機化合物が含まれています。このシアノアクリレートは、その強力な接着性と急速硬化性から多種多様な素材間の接着に用いられています。また充填剤として使われたり、創傷閉鎖等の医療用に使われたりすることもあります。
反応缶を真空に引いた状態で求める成分を気化させ、それを再び凝縮させることで分離、精製する減圧蒸留は、熱に弱い物質をより低温で分離したり、大気圧下では蒸留が困難な物質を分離、精製したりすることができますが、瞬間接着剤を製造する化学プラントにおいても減圧蒸留が使われており、今回は製造能力をアップした設備の新設に際して、大型化した反応缶を真空に引くために、より排気速度の大きい大型の真空排気システムが必要であったため、弊社で真空排気システムを製作し納入させていただきました。

[真空排気システムイメージ画像(左:主排気系、右:副排気系)]
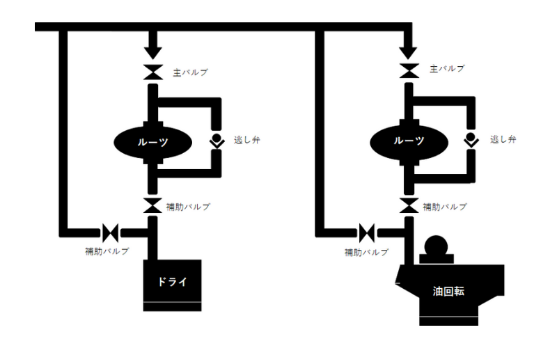
今回納入させていただいた真空排気システムは、接着剤製造工程で使われることから、接着剤材料が固着してポンプが止まる可能性を考慮して、1系統が固着のために止まっても真空排気を継続できるように、並列された2系統の排気システムで構成されています。
主排気系のPRD25-60はルーツ真空ポンプ(メカニカルブースタポンプ)RD2500とスクリュー型ドライ真空ポンプの組み合わせです。接ガス部はオイルフリーですので、吸入気体による油汚染とそれに伴う頻繁な油交換の必要がありません。副排気系のPRM25-45はルーツ真空ポンプ(メカニカルブースタポンプ)RD2500と補助ポンプとして経済的で接着材材料の固着にも比較的強い油回転真空ポンプP450の組み合わせです。
また、主排気系・副排気系ともルーツ真空ポンプ(メカニカルブースタポンプ)内部での固着を防ぐため、ドライ真空ポンプ・油回転真空ポンプのみで排気するバイパスラインを設置しています。加えて、排気システムに接着剤原料が入るのを防ぐために前段にトラップを設置しています。 更にトラップで全ては取り切れず、ポンプ内部に吸引された接着剤原料を、毎回の運転後にポンプ内部に溶剤を入れて洗浄します。それに対応して、ポンプ内のシール材は溶剤に耐性のあるものに変更しています。また溶剤を注入、排出するポートを排気システム内に設置しています。
また、設置場所が危険物製造所であるため、モータは耐圧防爆仕様としています。(制御盤は防爆区域外に設置)

[真空排気システム系統図]
産業分野によって必要とされる真空環境は様々です。お客様のニーズに合わせた最適な真空環境をつくるためには、様々な真空システム(排気ユニット・真空ポンプセット・真空装置)が必要となり、大阪真空はそれに応える幅広いラインアップの真空製品を提供しております。また、真空システムの設計、構成、製造において創業以来70年間に蓄積された技術力、経験と実績を有しており、高真空から低真空までの真空ポンプ、真空コンポーネントなどの単品販売だけでなく、それらを真空システムに組み込んだ状態で提案可能です。ぜひ当社までお問合せください。
株式会社大阪真空機器製作所 本社・西日本営業部 TEL 06-6203-3981
東日本営業部 TEL 03-3546-3731
名古屋営業部 TEL 052-950-3051
「ご相談窓口」より、メール問い合わせもできます。






