| Ⓐ | Ⓑ | Ⓒ | Ⓓ | Ⓔ |
| VG150 | φ235 | 16 | 449 | 430 |
| CF160 | φ203 | 22 | 449 | 430 |
| ISO-B160 | φ225 | 16 | 449 | 430 |
玉軸受形 ターボ分子ポンプ
TS440/TS443
ヘリカル溝真空ポンプ
製品特長
- 全段ヘリカル溝(ネジ溝)構造
- 中・低真空領域において、大量のガス排気可能
- 安全規格:NRTL/SEMI-S2/CE
用途
- 半導体製造
- 電子銃排気、イオン源排気
- 表面処理、表面改質
- 各種電子部品製造
- 管球製造、光学部品製造
- 加速器、放射線施設、核融合研究
- 熱処理
- 研究開発
仕様一覧
仕様
| 型式 | TS440 / TS443 | |
|---|---|---|
| 吸気口 | VG150 / CF160 / ISO-B160 | |
| 排気口 | KF40 | |
| 排気速度 | N₂ (L/s) | 440 |
| N₂ (保護金網付) (L/s) | 410 | |
| H₂ (L/s) | 320 | |
| 最大圧縮比 | N₂ | 2×10⁶ |
| H₂ | 1×10³ | |
| 試験到達圧力 | Pa | <1×10⁻⁵ *³ |
| Torr | <7.5×10⁻⁸ *³ | |
| 最大ガス流量 *1 *2 | N₂ (sccm) | 10860 |
| 起動時間 | min | 10~14 |
| 停止時間 | min | 23~28 |
| 許容補助圧力 | Pa | 2000 |
| Torr | 15 | |
| 推奨補助ポンプ | L/min | ≧500 |
| 取付姿勢 | 正立(±10°) | |
| 質量 | kg | 60 |
| パワーサプライ型式 | TC443S | |
*1:1Pa・L/s(25℃)=0.543sccm(0℃、1気圧)
*2:排気口部の補助排気速度を160L/minとした場合の値です。
*3:48時間ベーク後に得られる値です。
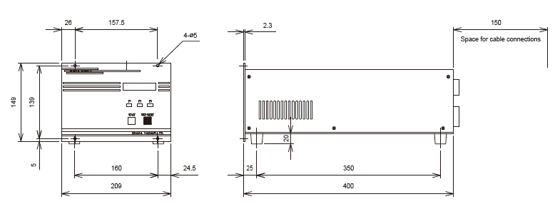
外観寸法図

●吸気口フランジボルト穴は中心線振分。
※無断転載はご遠慮下さい。掲載内容は通告無しに変更する場合があります。
性能曲線
【ガス流量曲線】

【排気速度曲線】

※無断転載はご遠慮下さい。掲載内容は通告無しに変更する場合があります。
コントローラ


| コントローラ型式 | TC443S |
|---|---|
| 入力電圧 | AC180-253V |
| 入力相数 | 単相 |
| 入力周波数 (Hz) | 50/60 |
| 出力周波数 (Hz) | 330 |
| 最大所要電力 (VA) | 2200 |
| 質量 (kg) | 8.2 |
| 通信インターフェース | Parallel I/O・RS232C |
| 標準付属品 | ・入力コネクタ:1個 ・リモートコネクタ:1個 ・シリアル通信コネクタ:1個 ・取扱説明書(本体、シリアル通信):各1部 |
