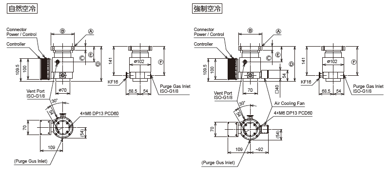
| Ⓐ | Ⓑ | Ⓒ | Ⓓ | Ⓔ | Ⓕ |
| CF63 | φ114 | 18 | 170 | 76 | 141 |
| ISO-R63 | φ95 | 12 | 144.5 | 50.5 | 115.5 |
玉軸受形 ターボ分子ポンプ
TG60F
グリス潤滑玉軸受形ターボ分子ポンプ
製品特長
- 取付姿勢自在
- コンパクトサイズ
- 省エネルギー
- 急速起動
- 急速ベント停止が可能
- 大気突入に強い構造
- 高い圧縮比
- TG60F:コントローラ一体型、
TG60F-20:コントローラ別置き型 - 安全規格適合:NRTL/SEMI-S2/CE (※TG60F-20のみ)
用途
- 半導体製造
- FPD製造
- 各種電子部品製造
- 分析、試験装置
- 研究開発
仕様一覧
仕様
| 型式 | TG60F | TG60F-20 | |
|---|---|---|---|
| 吸気口 | ISO-R63 / CF63 / (KF40) ※3 | ||
| 排気口 | KF16 | KF16 | |
| 排気速度 | N₂ (L/s) | 60 | |
| N₂ (保護金網付) (L/s) | 55 | ||
| H₂ (L/s) | 22 | ||
| 最大圧縮比 | N₂ | 2×10⁷ | |
| H₂ | 3×10³ | ||
| 試験到達圧力 | Pa | <5×10⁻⁶ (ISO-R) / <1×10⁻⁶ (CF) | |
| Torr | <3.8×10⁻⁸ (ISO-R) / <7.5×10⁻⁹ () | ||
| 最大ガス流量 ※1 | N₂ (sccm) | 10 (自然空冷) / 20 (強制空冷) | 10 (自然空冷) / 20 (強制空冷) |
| 起動時間 | min | 1.5~2 | 1.5~2 |
| 停止時間 | min | 15~25 | 15~25 |
| 許容補助圧力 | Pa | 800 | |
| Torr | 6 | ||
| 推奨補助ポンプ | L/min | ≧ 25 | |
| 取付姿勢 | 自在 | ||
| 質量 | kg | 【TG60F】3.4 (ISO-R) / 5.4 (CF) 【TG60F-20】3 (ISO-R) / 5 (CF) | |
| パワーサプライ型式 ※2 | TC65 | TC66 | |
※1:補助ポンプ容量を25L/minとした場合の許容最大流量
※2:ポンプとコントローラが一体のタイプ (TC65) と別置きタイプ (TC66) から選択できます。
※3:吸気口フランジKF40の仕様は別途お問い合わせ下さい。
[使用周囲温度]
到達圧力保証周囲温度は10 ~ 23℃です。又、許容周囲温度は8 ~ 38℃です。
[対応ガス種]
吸引ガス種によっては、軸受潤滑グリースや内部部品を劣化させる場合があります。対応ガス種は当社にお問い合わせ下さい。
外観寸法図

※ 吸気口フランジボルト穴は中心線振分。
※ 上記寸法図はTG60F(コントローラ一体型)の場合です。TG60F-20 はコントローラが別置きになります。
※ 無断転載はご遠慮下さい。掲載内容は通告無しに変更する場合があります。
性能曲線
【ガス流量曲線】

【排気速度曲線】

※ Sf は、補助ポンプ容量を示します。
※ 無断転載はご遠慮下さい。掲載内容は通告無しに変更する場合があります。
コントローラ


| コントローラ型式 | TC65 | TC66 |
|---|---|---|
| 入力電圧 | DC 24 V | AC100-230V |
| 入力相数 | - | 単相 |
| 入力周波数 (Hz) | 50/60 | 50/60 |
| 出力周波数 (Hz) | 1150 | 1150 |
| 最大所要電力 (VA) | 120 (W) | 240 |
| 質量 (kg) | - | 2.4 |
| 通信インターフェース | Parallel I/O・RS232C | Parallel I/O・RS232C |
| 標準付属品 | ・入力コネクタ:1個 ・リモートコネクタ:1個 ・取扱説明書:1部 |
・入力コネクタ:1個 ・リモートコネクタ:1個 ・取扱説明書:1部 |
| 適用ポンプ機種 | TG60F | TG60F-20 |
