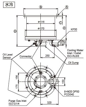
| Ⓐ | Ⓑ | Ⓒ | Ⓓ | Ⓔ |
| VG500 | φ625 | 25 | 560 | 447 |
玉軸受形 ターボ分子ポンプ
TG5500/TG5503
油潤滑玉軸受形ターボ分子ポンプ
製品特長
- 標準形と、腐食性ガスの排気に強いケミカル形をラインナップ
- 世界最大級の複合分子ポンプ
- 不意の大気突入に強い構造
- 外部からの衝撃に強い
用途
- 半導体製造
- 電子銃排気、イオン源排気
- FPD製造
- 表面処理、表面改質
- 各種電子部品製造
- 管球製造、光学部品製造
- 加速器、放射線施設、核融合研究
- 熱処理
- 研究開発
※クリーンプロセス向けはTG-Mシリーズ、TGkineシリーズをお選びください。
仕様一覧
仕様
| 型式 | TG5500/TG5503 | |
|---|---|---|
| 吸気口 | VG500 | |
| 排気口 | KF50 | |
| 排気速度 | N₂ (L/s) | 5500 |
| N₂ (保護金網付) (L/s) | 5200 | |
| H₂ (L/s) | 4400 | |
| 最大圧縮比 | N₂ | 1×10⁸ |
| H₂ | 5×10³ | |
| 試験到達圧力 | Pa | <1×10⁻⁶ |
| Torr | <7.5×10⁻⁹ | |
| 最大ガス流量 | N₂ (sccm) | 1200 |
| 起動時間 | min | 25~35 |
| 停止時間 | min | 30~40 |
| 許容補助圧力 | Pa | 200 |
| Torr | 1.5 | |
| 推奨補助ポンプ | L/min | ≧1500 |
| 取付姿勢 | 正立(±10°) | |
| 潤滑油量 | mL | 1000 |
| 質量 | kg | 250 |
| パワーサプライ型式 | TC5503 | |
※1:補助ポンプ容量を3000L/minとした場合の許容最大流量
[ 使用周囲温度 ]
到達圧力保証周囲温度は10~23℃です。又、許容周囲温度は10~40℃です。到達圧力保証冷却水温は30℃以下で許容冷却水温は10~35℃です。
[ 対応ガス種 ]
吸引ガス種によっては、軸受潤滑油や内部部品を劣化させる場合があります。対応ガス種は当社にお問い合わせ下さい。
外観寸法図

※吸気口フランジボルト穴は中心線振分。
※無断転載はご遠慮下さい。掲載内容は通告無しに変更する場合があります。
性能曲線
【ガス流量曲線】

【排気速度曲線】

※無断転載はご遠慮下さい。掲載内容は通告無しに変更する場合があります。
コントローラ


| コントローラ型式 | TC5503 |
|---|---|
| 入力電圧 | AC 200-230 V |
| 入力相数 | 単相 |
| 入力周波数 (Hz) | 50/60 |
| 出力周波数 (Hz) | 500 |
| 最大所要電力 (VA) | 2200 |
| 質量 (kg) | 8.7 |
| 通信インターフェース | Parallel I/O・RS232C |
| 標準付属品 | ・入力コネクタ:1個 ・リモートコネクタ:1個 ・シリアル通信コネクタ:1個 ・フェライトコア:1個 ・油面センサケーブルアダプタ:1個 ・取扱説明書(本体・シリアル通信):1部 |
