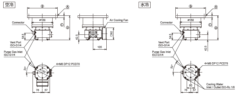
| Ⓐ | Ⓑ | Ⓒ | Ⓓ |
| VG150 | φ235 | 16 | 190 |
| CF160 | φ203 | 22 | 190 |
| ISO-B160 | φ225 | 16 | 190 |
玉軸受形 ターボ分子ポンプ
TG450F
グリス潤滑玉軸受形ターボ分子ポンプ
製品特長
- 取付姿勢自在
- コンパクトサイズ
- 省エネルギー
- 急速起動
- 大気突入に強い構造
- シリアル通信可能
- 安全規格適合:NRTL/SEMI-S2/CE
用途
- 半導体製造
- 電子銃排気、イオン源排気
- FPD製造
- 表面処理、表面改質
- 各種電子部品製造
- 分析、試験装置
- 管球製造、光学部品製造
- 加速器、放射線施設、核融合研究
- 熱処理
- 研究開発
※ 腐食性ガスなどを排気する場合は、ケミカル対応のTG-M、TGシリーズをお選びください。
仕様一覧
仕様
| 型式 | TG450F | |
|---|---|---|
| 吸気口 | VG150 / ISO-B160 / CF160 | |
| 排気口 | KF25 | |
| 排気速度 | N₂ (L/s) | 450 |
| N₂ (保護金網付) (L/s) | 430 | |
| H₂ (L/s) | 240 | |
| 最大圧縮比 | N₂ | 1×10⁸ |
| H₂ | 2×10³ | |
| 試験到達圧力 | Pa | <1×10⁻⁶ |
| Torr | <7.5×10⁻⁹ | |
| 最大ガス流量 ※1 | N₂ (sccm) | 500 |
| 起動時間 | min | 2~2.5 |
| 停止時間 | min | 5~6.5 |
| 許容補助圧力 | Pa | 260 |
| Torr | 2 | |
| 推奨補助ポンプ | L/min | ≧80 |
| 取付姿勢 | 自在 | |
| 質量 | kg | 7 (VG・ISO-R) / 10 (CF) |
| パワーサプライ型式 | TC353A | |
※1:補助ポンプ容量を160L/minとした場合の許容最大流量
[ 使用周囲温度 ]
到達圧力保証周囲温度は10~23℃です。又、許容周囲温度は空冷の場合10~32℃、水冷形の場合は10~40℃です。到達圧力保証冷却水温は30℃以下で許容冷却水温は10~35℃です。
[ 対応ガス種 ]
吸引ガス種によっては、軸受潤滑グリースや内部部品を劣化させる場合があります。対応ガス種は当社にお問い合わせ下さい。
外観寸法図

※ 吸気口フランジボルト穴は中心線振分。
※ 無断転載はご遠慮下さい。掲載内容は通告無しに変更する場合があります。
性能曲線
【ガス流量曲線】

【排気速度曲線】

※ Sf は、補助ポンプ容量を示します。
※ 無断転載はご遠慮下さい。掲載内容は通告無しに変更する場合があります。
コントローラ


| コントローラ型式 | TC353A |
|---|---|
| 入力電圧 | AC 100-110 V/AC 200-230 V |
| 入力相数 | 単相 |
| 入力周波数 (Hz) | 50/60 |
| 出力周波数 (Hz) | 750 |
| 最大所要電力 (VA) | 610 |
| 質量 (kg) | 2.7 |
| 通信インターフェース | Parallel I/O・RS232C |
| 標準付属品 | ・入力コネクタ:1個 ・リモートコネクタ:1個 ・シリアル通信コネクタ:1個 ・取扱説明書(本体、シリアル通信):各1部 |
