玉軸受形 ターボ分子ポンプ
TG240F
グリス潤滑玉軸受形ターボ分子ポンプ
製品特長
- 取付姿勢自在
- 高いH₂圧縮比
- 高背圧でも連続運転可能で、排気性能が安定
- TG240F:コントローラ一体型、
TG240F-20:コントローラ別置き型 - 振動に強く、ポンプ運転中でも移動可能
用途
- 半導体製造
- 電子銃排気、イオン源排気
- FPD製造
- 表面処理、表面改質
- 各種電子部品製造
- 分析、試験装置
- 管球製造、光学部品製造
- 加速器、放射線施設、核融合研究
- 熱処理
- 研究開発
※腐食性ガスなどを排気する場合は、ケミカル対応のTG-M、TGシリーズをお選びください。
仕様一覧
仕様
| 型式 | TG240F | TG240F-20 | |
|---|---|---|---|
| 吸気口 | ISO-R100 / CF100 | ||
| 排気口 | KF25 | KF25 | |
| 排気速度 | N₂ (L/s) | 240 | |
| N₂ (保護金網付) (L/s) | 230 | ||
| H₂ (L/s) | 160 | ||
| 最大圧縮比 | N₂ | 1×10⁸ | |
| H₂ | 4×10⁴ | ||
| 試験到達圧力 | Pa | <1×10⁻⁶ (ISO-R) / <5×10⁻⁷ (CF) | |
| Torr | <7.5×10⁻⁹ (ISO-R) / <3.8×10⁻⁹ (CF) | ||
| 最大ガス流量 ※1 | N₂ (sccm) | 70 | 70 |
| 起動時間 | min | 5.5~7.5 | 5.5~7.5 |
| 停止時間 | min | 45~60 | 45~60 |
| 許容補助圧力 | Pa | 700 | |
| Torr | 5.3 | ||
| 推奨補助ポンプ | L/min | ≧80 | |
| 取付姿勢 | 自在 | ||
| 質量 | kg | 【TG240F】7.3 (ISO-R) / 10.5 (CF) 【TG240F-20】6.9 (ISO-R) / 10.1 (CF) | |
| パワーサプライ型式 ※2 | TC245 | TC246 | |
※1:補助ポンプ容量を80L/minとした場合の許容最大流量
※2:ポンプとコントローラが一体のタイプ (TC245) と別置きタイプ (TC246) から選択できます。
●使用周囲温度
到達圧力保証周囲温度は10~23℃です。又、許容周囲温度は8~38℃です。
●対応ガス種
吸引ガス種によっては、軸受潤滑グリースや内部部品を劣化させる場合があります。対応ガス種は当社にお問い合わせ下さい。
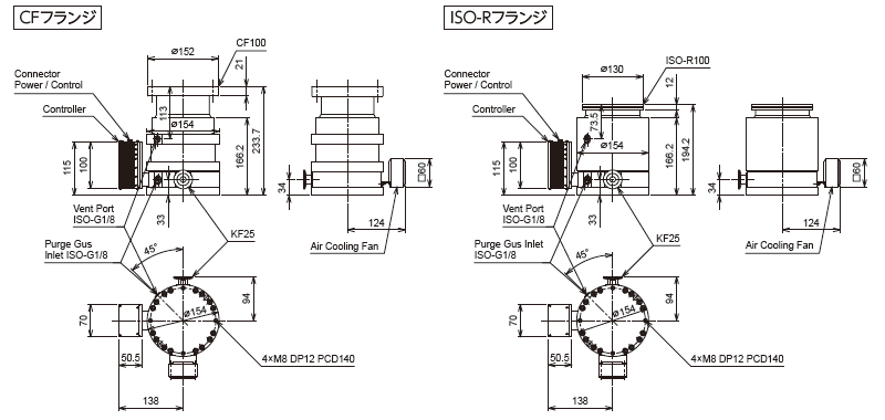
外観寸法図

※吸気口フランジボルト穴は中心線振分。
※上記寸法図はTG240F(コントローラ一体型)の場合です。TG240F-20 はコントローラが別置きになります。
※無断転載はご遠慮下さい。掲載内容は通告無しに変更する場合があります。
性能曲線
【ガス流量曲線】

【排気速度曲線】

※ Sf は、補助ポンプ容量を示します。
※無断転載はご遠慮下さい。掲載内容は通告無しに変更する場合があります。
コントローラ


| コントローラ型式 | TC245 | TC246 |
|---|---|---|
| 入力電圧 | DC 24 V | AC 100-230 V |
| 入力相数 | - | 単相 |
| 入力周波数 (Hz) | 50/60 | 50/60 |
| 出力周波数 (Hz) | 800 | 800 |
| 最大所要電力 (VA) | 75(W) | 170 |
| 質量 (kg) | - | 2.4 |
| 通信インターフェース | Parallel I/O・RS232C | Parallel I/O・RS232C |
| 標準付属品 | ・入力コネクタ:1個 ・リモートコネクタ:1個 ・取扱説明書(本体):1部 |
・入力コネクタ:1個 ・リモートコネクタ:1個 ・取扱説明書(本体):1部 |
| 適用ポンプ機種 | TG240F | TG240F-20 |
