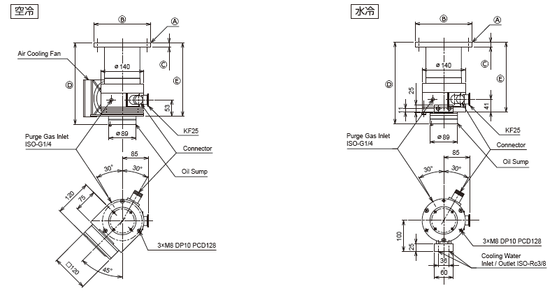
| Ⓐ | Ⓑ | Ⓒ | Ⓓ | Ⓔ |
| VG100 | φ185 | 15 | 264 | 226 |
| CF100 | φ152 | 21 | 264 | 226 |
| ISO-R100 | φ130 | 12 | 262 | 224 |
玉軸受形 ターボ分子ポンプ
TG203
油潤滑玉軸受形ターボ分子ポンプ
製品特長
- 腐食性ガスの排気に強いケミカル形
- 不意の大気突入に強い構造
- 外部からの衝撃に強い
- シリアル通信可能
- 安全規格 NRTL/SEMI-S2/CE
用途
- 半導体製造
- 電子銃排気、イオン源排気
- FPD製造
- 表面処理、表面改質
- 各種電子部品製造
- 管球製造、光学部品製造
- 加速器、放射線施設、核融合研究
- 熱処理
- 研究開発
※クリーンプロセス向けはTG-Fシリーズ、TG-Mシリーズ、TGkineシリーズをお選びください。
仕様一覧
仕様
| 型式 | TG203 | |
|---|---|---|
| 吸気口 | VG100 / CF100 / ISO-R100 | |
| 排気口 | KF25 | |
| 排気速度 | N₂ (L/s) | 200 |
| N₂ (保護金網付) (L/s) | 140 | |
| H₂ (L/s) | 150 | |
| 最大圧縮比 | N₂ | 1×10⁸ |
| H₂ | 4×10³ | |
| 試験到達圧力 | Pa | <1×10⁻⁶ (VG・ISO-R), <1×10⁻⁷ (CF) |
| Torr | <7.5×10⁻⁹ (VG・ISO-R), <7.5×10⁻¹⁰ (CF) | |
| 最大ガス流量 ※1 | N₂ (sccm) | 543 |
| 起動時間 | min | 4~6 |
| 停止時間 | min | 4~6 |
| 許容補助圧力 | Pa | 550 |
| Torr | 4.1 | |
| 推奨補助ポンプ | L/min | ≧80 |
| 取付姿勢 | 正立(±10°) | |
| 潤滑油量 | mL | 70 |
| 質量 | kg | 11 |
| パワーサプライ型式 | TC203A | |
※1:補助ポンプ容量を160L/minとした場合の許容最大流量
[ 使用周囲温度 ]
到達圧力保証周囲温度は10~23℃です。又、許容周囲温度は空冷の場合10~32℃、水冷形の場合は10~40℃です。到達圧力保証冷却水温は30℃以下で許容冷却水温は10~35℃です。
[ 対応ガス種 ]
吸引ガス種によっては軸受潤滑油や内部部品を劣化させる場合があります。対応ガス種は当社にお問い合わせ下さい。
外観寸法図

※吸気口フランジボルト穴は中心線振分。
※無断転載はご遠慮下さい。掲載内容は通告無しに変更する場合があります。
性能曲線
【ガス流量曲線】

【排気速度曲線】

※無断転載はご遠慮下さい。掲載内容は通告無しに変更する場合があります。
コントローラ


| コントローラ型式 | TC203A |
|---|---|
| 入力電圧 | AC 100-110 V / AC 200-230 V |
| 入力相数 | 単相 |
| 入力周波数 (Hz) | 50/60 |
| 出力周波数 (Hz) | 800 |
| 最大所要電力 (VA) | 610 |
| 質量 (kg) | 2.7 |
| 通信インターフェース | Parallel I/O・RS232C |
| 標準付属品 | ・入力コネクタ:1個 ・リモートコネクタ:1個 ・シリアル通信コネクタ:1個 ・取扱説明書(本体、シリアル通信):各1部 |
