製品検索

W30S

  • W30S

■ 水蒸気や水滴、有機溶剤などの排気に最適

■ ほこりや粉体を伴う気体の排気にも強い

■ 引火性ガスや腐食性ガスの排気も可能

■ 構造が簡単で安価、取り扱いも容易

■ 材質、シール形式の変更も可能

■ 様々な封液の使用が可能

■ 複合排気システムの最終段に有効

用途

  • 化学、医薬品、食品
  • 金属、鉄鋼
  • 医療
  • 産業機器

仕様

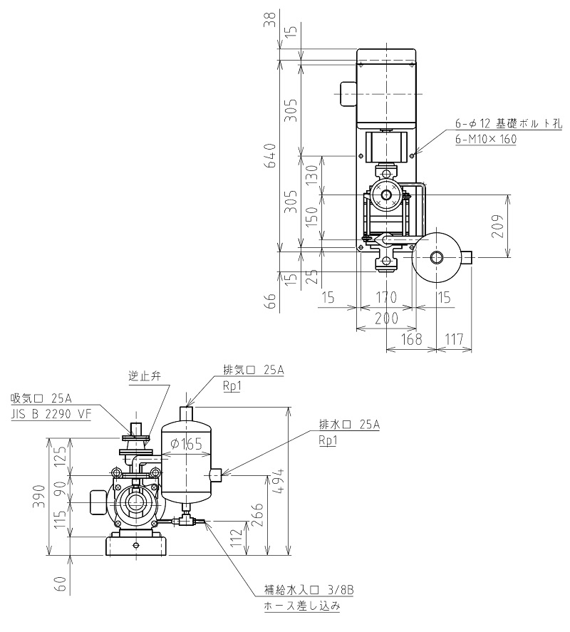
吸気口フランジ 25A JIS B 2290 VF

呼び排気速度

(m3/h)

50Hz  22
60Hz  27
試験到達圧力 
(kPa)※1
2.7
回転速度
(min-1
50Hz 2900
60Hz 3500
標準モータ出力
(kW)
1.5
補給水量
(m3/h)※2
0.36
質量
(kg)
全閉外扇屋内形モータ付※3 70
モータなし 50
  • ※1:水温15℃の場合。
  • ※2:補給水温度は最高35℃を目安にしてください。
  • ※3:標準仕様以外のモータも選択できます。
  • 許容周囲温度:運転時は+10℃~+40℃、保管時は-5℃~+60℃。
  • 凍結防止のため保管時には水を抜いておいて下さい

外観寸法図

外観寸法図


  • ※無断転載はご遠慮下さい。掲載内容は通告無しに変更する場合があります。

性能曲線

性能曲線
性能曲線
  • ※無断転載はご遠慮下さい。掲載内容は通告無しに変更する場合があります。