液封式真空ポンプ
W630S/WA630S/WB630S
液封式真空ポンプ(水封式真空ポンプ)
製品特長
- 水蒸気や水滴、有機溶剤などの排気に最適
- ほこりや粉体を伴う気体の排気にも強い
- 引火性ガスや腐食性ガスの排気も可能
- 構造が簡単で安価、取り扱いも容易
- 材質、シール形式の変更も可能
- 様々な封液の使用が可能
- 複合排気システムの最終段に有効
- アトモスタ(空気エジェクタ)を付けて、封液の蒸気圧以下の到達圧力を実現!
用途
- 化学、医薬品、食品
- 金属、鉄鋼
- 医療
- 産業機器
仕様一覧
仕様
| 型式 | W630S | WA630S ※1 | WB630S ※2 | |
|---|---|---|---|---|
| 吸気口 | 80A JIS B 2290 VF | |||
| 呼び排気速度 (㎥/h) | 50/60Hz | 630/630 | ||
| 試験到達圧力 (kPa) ※3 | 2.7 | 0.8 | 0.13 | |
| 回転速度 (min⁻¹) | 50/60Hz | 950/950 | ||
| 標準モータ出力 (kW) | 30 | |||
| 補給水量 (㎥/h) ※4 | 4.8 | |||
| 質量 (kg) | 全閉外扇屋内形モータ付 ※5 | 900 | 940 | 970 |
| モータなし | 700 | 740 | 770 | |
※1:WAはアトモスタ1段付。
※2:WBはアトモスタ2段付。
※3:水温15℃の場合。
※4:補給水温度は最高35℃を目安にしてください。
※5:標準仕様以外のモータも選択できます。
許容周囲温度:運転時は+10℃~+40℃、保管時は-5℃~+60℃。
凍結防止のため保管時には水を抜いておいて下さい。
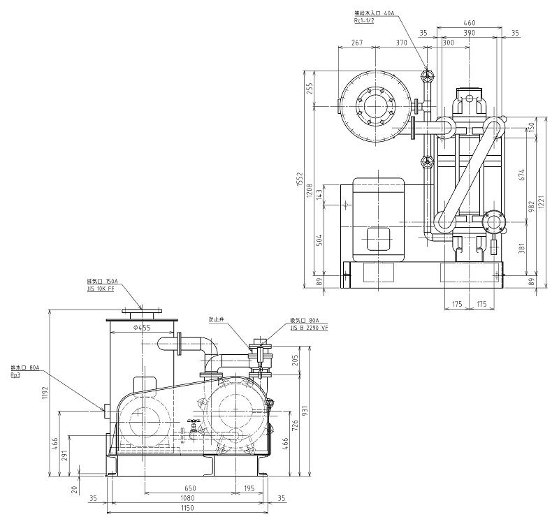
外観寸法図

※無断転載はご遠慮下さい。掲載内容は通告無しに変更する場合があります。
性能曲線


※無断転載はご遠慮下さい。掲載内容は通告無しに変更する場合があります。
