油回転真空ポンプ 製品詳細
油回転真空ポンプ

VSV-65

回転翼形 直結型油回転真空ポンプ(一段式)

製品特長

  • ガスバラストバルブ(二段階調節)
    二段式ガスバラストを標準搭載
    水蒸気、凝縮性ガスの排気に適応
  • 油煙トラップエレメント内蔵・標準搭載
    全機種油煙トラップエレメント内蔵、別途油煙トラップの購入は不要
  • オイルフィルター標準搭載
  • 全機種空冷タイプ
    全機種空冷タイプ、冷却水不要で省エネ、低コスト。また、配管工事不要で省手間
  • 軽量・コンパクト・低振動
    揺動ピストン形(キニー式)、カム形(センコ式)と比べて、軽量・コンパクト・低振動構造

用途

  • 食品・医薬品
  • 薄膜コーティング
  • 金属・鉄鋼
  • 一般排気
  • ロボット・スマート化工場

仕様一覧

仕様

型式 VSV-65
呼び排気速度 (50/60Hz) ㎥/h 65/78
L/min 1083/1300
試験到達圧力 (Pa) ※1 ガスバラスト無 30
ガスバラスト弁Ⅰ開 50
ガスバラスト弁Ⅱ開 200
連続運転可能な吸気口圧力 (kPa) ≦10
連続運転可能な吸気口圧力までの時間 (min) ≦30
排気制限(目安) (㎥) ※2 ≦16
定格出力 (50/60Hz) kW 1.5/1.8
電圧, 周波数 AC200V, 50/60Hz, 三相
AC220V, 60Hz, 三相
吸気口 G1 ¼
排気口 G1 ¼
油量 (L) 2.5
定格回転速度 (50/60Hz) min⁻¹ 1440/1720
許容周囲温度 (℃) 10~40
質量 (kg) 42.5
保護等級 IP54
標準付属品 ・ポンプ油(OVPO-68A)

※1:試験到達圧力はピラニ真空計による参考値です。
※2:リークおよびガス発生を考慮しない容器を大気圧から制限時間内に排気可能な容積

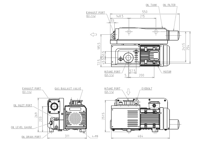
外観寸法図

※無断転載はご遠慮下さい。掲載内容は通告無しに変更する場合があります。

性能曲線

※無断転載はご遠慮下さい。掲載内容は通告無しに変更する場合があります。

ラインアップへ戻る
油回転真空ポンプ
VSV-65
TOPへ戻る