油回転真空ポンプ
VRD-30
回転翼形 直結型油回転真空ポンプ(二段式)
製品特長
- ガスバラストバルブ(二段階調節)
ガスバラストガスの導入量を調節し、排気する気体に含まれる凝縮性ガス(水蒸気など)が油回転真空ポンプ内部で凝縮することの防止と到達圧力を両立します。 - 強制油循環システムを搭載
真空ポンプの安定した運転を可能にします。 - 吸気口・排気口のそれぞれに逆止弁を搭載
真空ポンプ停止時に装置側へ油が逆流することを防止します。 - ピン接合による完全一体型シリンダー構造
真空ポンプの部品点数を最小限に抑えることで、精度を高めつつメンテナンスや点検を容易にしました。
用途
- 一般産業
- 医療機器・医療品産業
- 電機・電力産業
- 分析機器
- エレクトロニクス産業
仕様一覧
仕様
| 型式 | VRD-30 | |
|---|---|---|
| 呼び排気速度 (50/60Hz) | ㎥/h | 30 / 36 |
| L/min | 500 / 600 | |
| 試験到達圧力 (Pa) *1 | ガスバラスト無 | 4×10⁻¹ |
| ガスバラスト有 | 8×10⁻¹ | |
| 連続運転可能な吸気口圧力 (kPa) | ≦8 | |
| 連続運転可能な吸気口圧力までの時間 (min) | ≦30 | |
| 排気制限(目安) (㎥) *2 | ≦7 | |
| モータ出力 (kW) | AC200V 三相 | 1.1 |
| 電圧, 周波数 | AC200-220V, 50/60Hz 三相 | |
| 吸気口 | KF25 *³ | |
| 排気口 | KF25 | |
| 油量 (L) | 1.3~2.0 | |
| 定格回転速度 (50/60Hz) | min⁻¹ | 1440 / 1720 |
| 許容周囲温度 (℃) | 10~40 | |
| 騒音 (dB(A)) | ≦60 | |
| 質量 (kg) | 43 | |
*1 試験到達圧力はピラニ真空計による参考値です。
*2 リークおよびガス発生を考慮しない容器を大気圧から制限時間内に排気可能な容積
*3 標準吸気管を取り外して、オプション品に取替え可能です。
*4 オプション品につきましては、営業担当者までお問合せ下さい。
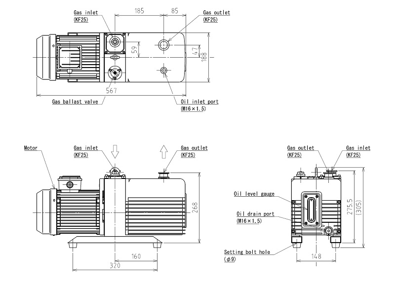
外観寸法図

※無断転載はご遠慮下さい。掲載内容は通告無しに変更する場合があります。
性能曲線


※無断転載はご遠慮下さい。掲載内容は通告無しに変更する場合があります。
