油回転真空ポンプ
VM70F
回転翼形 直結型油回転真空ポンプ(一段式)
製品特長
- 大排気速度で単相電源
70㎥/hで200V単相を実現 - ガスバラスト常時開
凝縮性ガス排気に強い - リモート/ローカル起動対応
ポンプ本体起動スイッチまたはD-SUBによる起動可能 - 空冷仕様
冷却水工事不要
用途
- LC-MS(液体クロマトグラフィー質量分析)をはじめとする次世代の質量分析装置
- ターボ分子ポンプなどの高真空ポンプの補助ポンプ
仕様一覧
仕様
| 型式 | VM70F | |
|---|---|---|
| 呼び排気速度 (50/60Hz) | ㎥/h | 70 |
| 試験到達圧力 (Pa) ※1 | 20 | |
| 連続運転可能な吸気口圧力 (kPa) | ≦1 | |
| 連続運転可能な吸気口圧力までの時間 (min) | ≦30 | |
| 排気制限(目安) (㎥) ※2 | ≦6 | |
| 定格出力 (50/60Hz) | kW | 1.5 |
| 電圧, 周波数 | AC200V~240V, 50/60Hz, 単相 | |
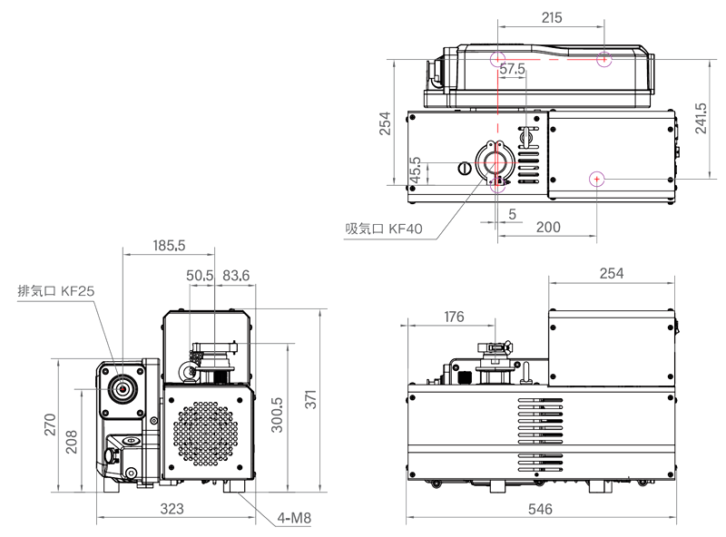
| 吸気口 | KF40 | |
| 排気口 | KF25 | |
| 油量 (L) | 2.5 | |
| 定格回転速度 (50/60Hz) | min⁻¹ | 1800 |
| 許容周囲温度 (℃) | 15~40 | |
| 質量 (kg) | 55 | |
| 保護等級 | IP20 | |
| 標準付属品 | ・ポンプ油(OVPO-68A) ・クランプ継手(吸気口) ・メッシュ付センターリング(吸気口) |
|
※1:本表に記載の到達圧力はピラニ真空計での指示値、ガスバラスト弁常時開け状態です。
※2:リーク及びガス発生を考慮しない容器を大気圧から制限時間内に排気可能な容積
外観寸法図

※無断転載はご遠慮下さい。掲載内容は通告無しに変更する場合があります。
性能曲線

※無断転載はご遠慮下さい。掲載内容は通告無しに変更する場合があります。
