磁気軸受形 ターボ分子ポンプ 製品詳細
磁気軸受形 ターボ分子ポンプ

TGkine3800M-R

磁気軸受形ターボ分子ポンプ

製品特長

  • 省電力設計
  • 設定パラメータ、稼働データ、異常履歴などをポンプ本体に保持可能。
    ※オーバーホール時にコントローラを入れ替えても、データ引継ぎ可能
  • 多様な通信仕様:EtherCAT対応可能
  • 国際規格適合:CE/NRTL/SEMI-S2

用途

  • 半導体製造装置
  • FPD製造装置
  • 太陽電池製造装置
  • ガラス/レンズ等の光学部品加工
  • フィルム加工
  • 加速器/宇宙環境試験装置

仕様一覧

仕様

型式 ※1 TGkine3804M-R TGkine3805M-R
吸気口 ISO-B320/VG300
排気口 ※2 KF40 KF50
排気速度 N₂ (L/s) 3600
N₂ (保護金網付) (L/s) 3400
H₂ (L/s) 2700
最大圧縮比 N₂ >2×10⁸
H₂ 2×10³
到達圧力 ※5 Pa <5×10⁻⁷
Torr <3.8×10⁻⁹
最大ガス流量 ※3 ※4 N₂ (sccm) 2800 2800
Ar (sccm) 1300 1300
起動時間 min ≦12 ≦12
停止時間 min ≦14 ≦14
許容補助圧力 ※6 Pa 160
Torr 1.2
推奨補助ポンプ L/min ≧2000
取付姿勢 正立または倒立
質量 kg 74/72
ターボコントローラ型式 TC0341M

※1:型式名につきましては、営業担当者までお問い合わせ下さい。
※2:型式により仕様が変わります。
※3:1Pa・L/s(25℃)=0.543sccm(0℃、1気圧)
※4:排気口部の補助排気速度を5000L/minとした場合の値です。
※5:48時間ベーク後に得られる値です。
※6:N₂ガス雰囲気でポンプが損傷することなく連続運転可能な最大排気口圧力です。

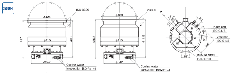
外観寸法図

※無断転載はご遠慮下さい。掲載内容は通告無しに変更する場合があります。

性能曲線

【ガス流量曲線】

【排気速度曲線】

※無断転載はご遠慮下さい。掲載内容は通告無しに変更する場合があります。

コントローラ

コントローラ型式 TC0341M
入力電圧 AC200~240V (-15~+10%)
入力相数 単相
入力周波数 (Hz) 50/60
最大所要電力 (VA) 1000
質量 (kg) 8
通信インターフェース RS232C・RS485・Profibus・DeviceNet・EtherCAT
標準付属品 ・入力ケーブル(5m):1本
・取扱説明書(本体、リモートコントロール):各1部
ラインアップへ戻る
磁気軸受形 ターボ分子ポンプ
TGkine3800M-R
TOPへ戻る