磁気軸受形 ターボ分子ポンプ
TGkine2200M-B
コントローラ・電源一体型磁気軸受形ターボ分子ポンプ
製品特長
- コントローラ・電源一体型
- 省電力設計
- 省スペース
- IP54標準対応
- 多様な通信仕様
- 国際規格適合:CE/NRTL/SEMI-S2
用途
- 半導体製造装置
- FPD製造装置
- 太陽電池製造装置
- ガラス/レンズ等の光学部品加工
- フィルム加工
- 加速器/宇宙環境試験装置
仕様一覧
仕様
| 型式 ※1 | TGkine2204M-B | TGkine2205M-B | |
|---|---|---|---|
| 吸気口 | ISO-B250/VG250 | ||
| 排気口 ※2 | KF40 | KF50 | |
| 排気速度 | N₂ (L/s) | 2200 | |
| N₂ (保護金網付) (L/s) | 2100 | ||
| H₂ (L/s) | 1800 | ||
| 最大圧縮比 | N₂ | >2×10⁸ | |
| H₂ | 3×10³ | ||
| 到達圧力 ※5 | Pa | <2×10⁻⁷ | |
| Torr | <1.5×10⁻⁹ | ||
| 最大ガス流量 ※3 ※4 | N₂ (sccm) | 4400 | 4400 |
| Ar (sccm) | 2600 | 2600 | |
| 起動時間 | min | ≦10 | ≦10 |
| 停止時間 | min | ≦10 | ≦10 |
| 許容補助圧力 ※6 | Pa | 220 | |
| Torr | 1.65 | ||
| 推奨補助ポンプ | L/min | ≧2000 | |
| 取付姿勢 | 自在 | ||
| 質量 | kg | 62 | |
| 入力電圧 | AC200-240V | AC200-240V | |
| 入力相数 | 単相 | ||
| 入力周波数 | Hz | 50/60 | |
| 所要電力 | VA | Max. 900 | |
| 電流 | A | Max. 5.3 | |
※1:型式名につきましては、営業担当者までお問い合わせ下さい。
※2:型式により仕様が変わります。
※3:1Pa・L/s(25℃)=0.543sccm(0℃、1気圧)
※4:排気口部の補助排気速度を5000L/minとした場合の値です。
※5:48時間ベーク後に得られる値です。
※6:N₂ガス雰囲気でポンプが損傷することなく連続運転可能な最大排気口圧力です。
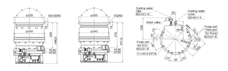
外観寸法図

※無断転載はご遠慮下さい。掲載内容は通告無しに変更する場合があります。
性能曲線
【ガス流量曲線】

【排気速度曲線】

※無断転載はご遠慮下さい。掲載内容は通告無しに変更する場合があります。
