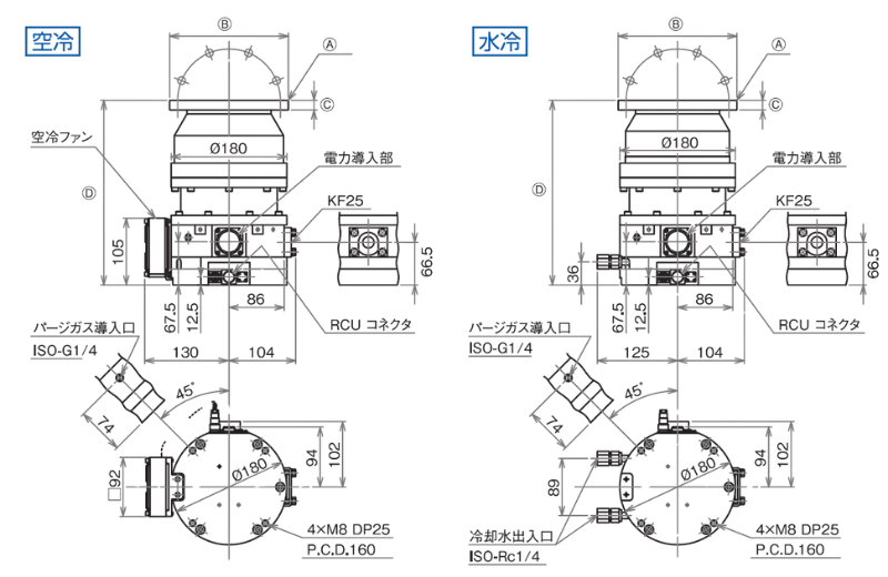
| Ⓐ | Ⓑ | Ⓒ | Ⓓ |
| VG100 | φ185 | 15 | 288 |
| CF100 | φ152 | 21 | 294 |
| ISO-B100 | φ165 | 12 | 285 |
磁気軸受形 ターボ分子ポンプ
TG397M
磁気軸受形ターボ分子ポンプ
製品特長
- 省電力設計
- 稼働データ、タッチダウン回数、機種情報などを本体に保持可能
※オーバーホール時にコントローラを入れ替えても、データ引継ぎ可能 - 多様な通信仕様:EtherCAT対応可能
- 国際規格適合:NRTL/SEMI-S2/CE
用途
- 半導体製造装置
- FPD製造装置
- 太陽電池製造装置
- ガラス/レンズ等の光学部品加工
- フィルム加工
- 加速器/宇宙環境試験装置
仕様一覧
仕様
| 型式 ※1 | TG397M | |
|---|---|---|
| 吸気口 | VG100/ISO-B100/CF100 | |
| 排気口 | KF25 | |
| 排気速度 | N₂ (L/s) | 340 |
| N₂ (保護金網付) (L/s) | 320 | |
| H₂ (L/s) | 290 | |
| 最大圧縮比 | N₂ | 1×10⁸ |
| H₂ | 4.5×10³ | |
| 到達圧力 ※4 | Pa | <1×10⁻⁶ (VG・ISO-B) / <1×10⁻⁷ (CF) |
| Torr | <7.5×10⁻⁹ (VG・ISO-B) / <7.5×10⁻¹⁰ (CF) | |
| 最大ガス流量 ※2 ※3 | N₂ (sccm) | 2000 |
| Ar (sccm) | 1000 | |
| 起動時間 | min | 2~2.5 |
| 停止時間 | min | 2~3 |
| 許容補助圧力 | Pa | 400 |
| Torr | 3.0 | |
| 推奨補助ポンプ | L/min | ≧160 |
| 取付姿勢 | 自在 | |
| 質量 | kg | 16 (VG・ISO-B) / 19 (CF・ケミカル形) |
| ターボコントローラ型式 | TC0301M | |
※1:型式名につきましては、営業担当者までお問い合わせ下さい。
※2:1Pa・L/s(25℃)=0.543sccm(0℃、1気圧)
※3:排気口部の補助排気速度を320L/minとした場合の値です。
※4:48時間ベーク後に得られる値です。
ケミカルタイプ、反応生成物対策については、別途お問合せ下さい。
外観寸法図

※無断転載はご遠慮下さい。掲載内容は通告無しに変更する場合があります。
性能曲線
【ガス流量曲線】

【排気速度曲線】

※無断転載はご遠慮下さい。掲載内容は通告無しに変更する場合があります。
コントローラ


| コントローラ型式 | TC0301M |
|---|---|
| 入力電圧 | AC200~240V (-15~+10%) |
| 入力相数 | 単相 |
| 入力周波数 (Hz) | 50/60 |
| 出力周波数 (Hz) | 680 |
| 最大所要電力 (VA) | 400 |
| 質量 (kg) | 8 |
| 通信インターフェース | Parallel I/O・RS232C・RS485・ Profibus・DeviceNet・EtherCAT |
| 標準付属品 | ・入力ケーブル(5m):1本 ・取扱説明書(本体、リモートコントロール):各1部 |
