※無断転載はご遠慮下さい。掲載内容は通告無しに変更する場合があります。
真空排気システム
ST-Compactシリーズ
ターボ分子ポンプ排気システム
製品特長
- 高圧縮ターボ分子ポンプTG70Fを搭載!
- 排気する容器の大きさに合わせて補助ポンプ
( ダイアフラムポンプ)を2種類から選択可能! - 卓上サイズの省スペース設計!
- 研究設備の簡易排気装置に最適!
仕様一覧
仕様
| 型式 | STC70FR005 | STC70FR013 | |
|---|---|---|---|
| ターボ分子ポンプ | TG70FRAB | TG70FRNB | |
| 排気速度 | N₂ (L/s) | 70 | 70 |
| 試験到達圧力 | (Pa) | 10⁻⁶台 | 10⁻⁶台 |
| 吸気口 | ISO-R63 | ISO-R63 | |
| 排気口 | G1/8 *¹ | ||
| 補助ポンプ | ダイアフラムポンプ 4.2L/min | ダイアフラムポンプ 13L/min | |
| 質量 (kg) | 14 | 19 | |
| 冷却方式 | 強制空冷 | ||
| 入カ電圧 | AC100V | AC100V | |
| 最大所要電力 (VA) | 200 | 210 | |
| 標準付属品 | ・入力ケーブル(5m):1本 ・取扱説明書:1部 |
||
*1:ダイアフラム排気口(大気開放側)にはマフラーが取り付いています。
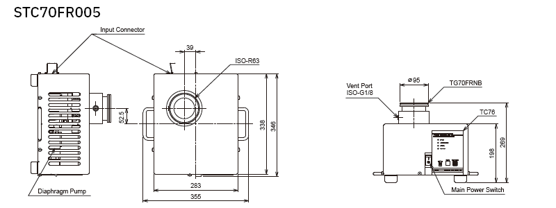
外観寸法図


※無断転載はご遠慮下さい。掲載内容は通告無しに変更する場合があります。
