メカニカルブースタポンプ(ルーツ真空ポンプ)
RD1200
モータ直結型メカニカルブースタポンプ
製品特長
- コンパクト設計でシステムとしてまとめる事が容易
- フランジモータと直結し、コンパクトで軽量
- ドレンが内部にたまらず全負荷連続運転が可能
用途
- 半導体、FPD
- 薄膜コーティング
- 金属、鉄鋼、産業機器
- 医療、化学、医薬品、食品
- 研究開発
仕様一覧
仕様
| 型式 | RD1200 | |
|---|---|---|
| 吸気口 | 100A JIS10KFF | |
| 呼び排気速度 (50/60Hz) ※1 | ㎥/h | 1000/1200 |
| 許容圧力差(標準モータ使用時) (kPa) | 50/60Hz | 5.3/4.7 |
| 試験到達圧力 (Pa) | 補助ポンプ1段RP | 7×10⁻² |
| 補助ポンプ2段RP | 1.3×10⁻² | |
| 基準補助ポンプの排気速度 (㎥/h) | 180~220 | |
| 回転速度 (r/min) | 50/60Hz | 3000/3600 |
| 標準モータ出力 (kW) | 3.7 | |
| 油量 (L) | 2.7 | |
| 冷却水量 (㎥/h) ※2 | 0.4 | |
| 質量 (kg) | 全閉外扇屋内形モータ付 | 280 |
| モータなし | 230 | |
※1:実効排気速度は補助ポンプにより変わります。詳しくは当社営業担当までお問い合わせ下さい。
※2:冷却水温度は最高30℃を目安にしてください。
許容周囲温度:運転時は+10℃~+40℃、保管時は-5℃~+60℃。
凍結防止のため保管時には水を抜いておいて下さい。
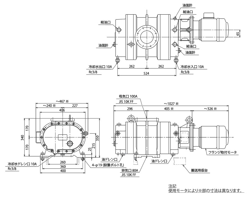
外観寸法図

※無断転載はご遠慮下さい。掲載内容は通告無しに変更する場合があります。
