メカニカルブースタポンプ(ルーツ真空ポンプ)
R6002
ベルト駆動型 大型ルーツ真空ポンプ
製品特長
- ベルト駆動で大排気速度
- スペースチャンバーや、乾燥、注型、EBW、連続成膜装置などの大容量チャンバーの排気にも対応
- 逃し弁(オプション)により吸入圧力の高い領域でも最大限に排気能力を発揮
- プロセスに合わせて最適な組み合わせを提案
用途
- 半導体、FPD
- 薄膜コーティング
- 金属、鉄鋼、産業機器
- 医療、化学、医薬品、食品
- 研究開発
仕様一覧
仕様
| 型式 | R6002 | |
|---|---|---|
| 吸気口 | 300A JIS5KFF | |
| 呼び排気速度 (50/60Hz) ※1 | ㎥/h | 6000 |
| 許容圧力差(標準モータ使用時) (kPa) | 50/60Hz | 4.7 |
| 試験到達圧力 (Pa) | 補助ポンプ1段RP | 7×10⁻² |
| 補助ポンプ2段RP | 1.3×10⁻² | |
| 基準補助ポンプの排気速度 (㎥/h) | 690~900 | |
| 回転速度 (r/min) | 50/60Hz | 1200 |
| 標準モータ出力 (kW) | 11 | |
| 油量 (L) | 2.5 | |
| 冷却水量 (㎥/h) ※2 | 1.1 | |
| 質量 (kg) | 全閉外扇屋内形モータ付 | 1050 |
| モータなし | 940 | |
※1:実効排気速度は補助ポンプにより変わります。詳しくは当社営業担当までお問い合わせ下さい。
※2:冷却水温度は最高30℃を目安にしてください。
許容周囲温度:運転時は+10℃~+40℃、保管時は-5℃~+60℃。
凍結防止のため保管時には水を抜いておいて下さい。
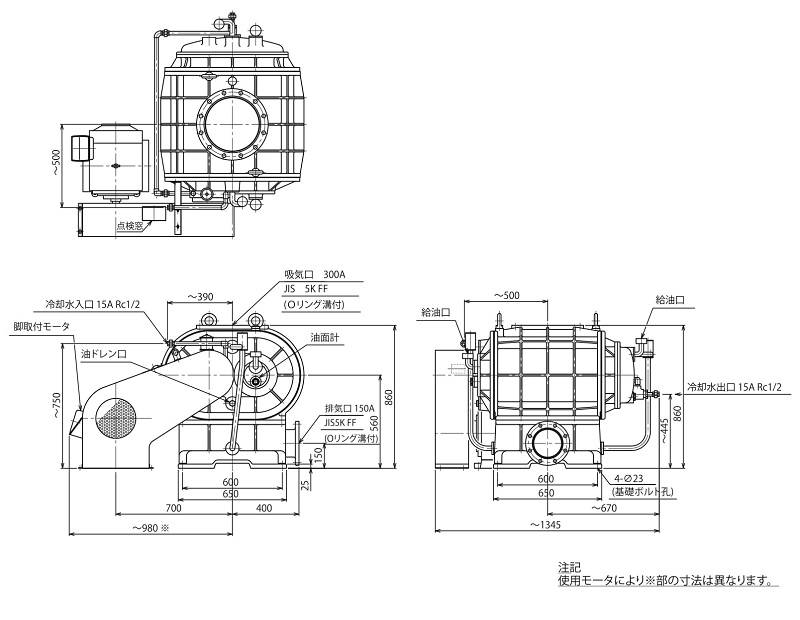
外観寸法図

※無断転載はご遠慮下さい。掲載内容は通告無しに変更する場合があります。
