油回転真空ポンプ
P90
揺動ピストン形(キニー式)油回転真空ポンプ
製品特長
- 低真空領域での連続運転が可能
- 過酷なポンプダウンの繰り返しに耐える
- 堅牢な排気弁
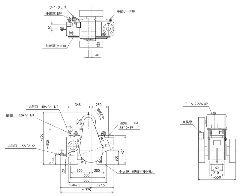
- 油循環状況を確認できるサイトグラス
- 油量を確認できるオイルゲージ
- 環境に優しい油セパレータ
- 点検やメンテナンスが簡単な排気弁収納部
- 油タンクの掃除がしやすい大きな掃除口
- 廃油処理が便利な油ドレン弁
- メンテナンスしやすい軸封部
仕様一覧
仕様
| 型式 | P90 | |
|---|---|---|
| 吸気口 | 50A JIS10KFF | |
| 呼び排気速度 (50/60Hz) | ㎥/h | 90 |
| L/min | 1500 | |
| 連続運転可能な吸気口圧力 (kPa) | ≦7 | |
| 許容排気口圧力 (kPa) | ≦120 | |
| 試験到達圧力 (Pa) | 0.7 | |
| 連続運転可能な吸気口圧力までの排気制限(目安) ※1 | 時間 (min) | ≦30 |
| 容積 (㎥) | ≦15 | |
| 回転速度 (r/min) | 50/60Hz | 410 |
| 標準モータ出力 (kW) | 2.2 | |
| 油量 (L) | 5 | |
| 冷却方式 | 空冷 | |
| 質量 (kg) | 全閉外扇屋内形モータ付 | 200 |
| モータなし | 165 | |
※1:リークおよびガス発生を考慮しない容器を大気圧から排気する場合の許容時間および容積。
●許容周囲温度:運転時は+10℃~+40℃、保管時は-5℃~+60℃。
●凍結防止のため保管時には水を抜いて下さい。
外観寸法図

※無断転載はご遠慮下さい。掲載内容は通告無しに変更する場合があります。
性能曲線

※無断転載はご遠慮下さい。掲載内容は通告無しに変更する場合があります。
