ドライ真空ポンプ
FR060D
空冷式多段ルーツ型 ドライ真空ポンプ
製品特長
- 大気圧で連続運転可能
開放時排気速度800L/min - 水蒸気吸入可能
水蒸気処理量500g/hr - 排気時間の短縮
到達付近まで一定の排気速度維持 - 空冷仕様
用途
- 小型実験排気用
- ロードロック室、搬送
- 分析・測定装置の排気
- 吸着・搬送
- 加速器の排気
- 封止・封着
- 電子銃源・イオン銃源排気
- 乾燥
- スパッタ蒸着などのPVD装置排気
- 小型炉排気
- TMPなどの高真空ポンプの補助ポンプ
仕様一覧
仕様
| 基本性能 | ||
|---|---|---|
| 型式 | FR060D-2(単相) / FR060D(三相) | |
| 吸気口 | KF40 | |
| 排気口 | KF40 | |
| 排気速度 (L/min) | 最大 | 1000 |
| 開放運転時 | 800 | |
| 試験到達圧力 (Pa) | 通常 | 1.0 |
| ガスバラスト時 | 2.0 | |
| 許容周囲温度 (℃) | 5-40 | |
| 最大水蒸気処理量 (g/hr) ※1 | 500 | |
| 潤滑油量 (mL) | 90 | |
| 概略重量 (kg) | 75 | |
| 電源・ユーティリティ | ||
|---|---|---|
| 相数 | 単相 / 三相 | |
| 電圧 (V) | 200-240 | |
| 許容電圧変動 ※2 | ±10% | |
| 周波数 (Hz) | 50/60 | |
| 電源容量 (VA) | 3000 | |
| 到達圧力時消費電力 (W) | 1100 | |
| 最大消費電力 (W) | 1300 | |
| 電流 (A) | 単相 | 11.1 |
| 三相 | 6.5 | |
| その他 | |
|---|---|
| 冷却方式 | 空冷 |
※1 ガスバラスト機構使用時の処理量になります。
※2 電圧の±10%は変動許容値であり、定格電圧の許容ではありません。
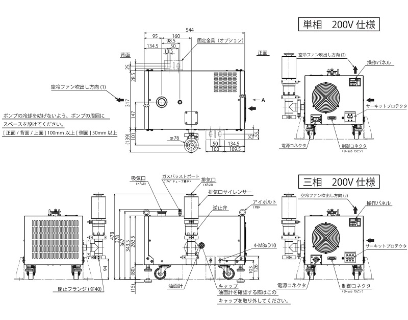
外観寸法図

※無断転載はご遠慮下さい。掲載内容は通告無しに変更する場合があります。
性能曲線

※無断転載はご遠慮下さい。掲載内容は通告無しに変更する場合があります。
