Liquid-ring Vacuum Pumps Product Details
Liquid-ring Vacuum Pumps

W80S/WA80S

Liquid-ring Vacuum Pumps (Water-ring Vacuum Pumps)

Features

  • Ideal for exhausting water vapor, water droplets, and organic solvents.
  • Good also for exhausting gases with dust and particles.
  • It can also exhaust flammable corrosive gases.
  • Simple construction, economical design.
  • Material and seal type can also be changed.
  • A variety of sealing liquids can be used.
  • Effective as the final stage in compound exhaust systems.
  • Can achieve base pressure below the steam pressure of the liquid ring by attached the air ejector.

Application

  • Chemicals, Pharmaceuticals, Food processing
  • Metal and Steel
  • Medical equipments
  • Industrial equipments

Specifications

Specifications

Model W80S WA80S ※1
Inlet 40A JIS B 2290 VF
Nominal volume flow rate (㎥/h) 50/60Hz 70/84
Base pressure (kPa) ※2 2.7 0.8
Rotation speed (min⁻¹) 50/60Hz 1450/1750
Standard motor output (kW) 3.7
Refill water level (㎥/h) ※3 0.6
Weight (kg) With totally enclosed fan cooling motor ※4 160 180
Without motor 120 140

※1 : WA is equipped with a single-stage air-ejector.
※2 : For a water temperature of 15℃.
※3 : Maximum refilling water temperature should be 35℃.
※4 : Non-standard motors are also available.
Allowable ambient temperature: 10 to 40℃ during operation, -5 to +60℃ in storage.
Drain water before storing to prevent freezing over.

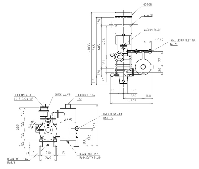
Dimensions

* Reprinting prohibited without permission. Contents are subject to change without notice.

Performance curve

* Reprinting prohibited without permission. Contents are subject to change without notice.

Back to Liquid-ring Vacuum Pumps
Liquid-ring Vacuum Pumps
W80S/WA80S
Back to Homepage