Liquid-ring Vacuum Pumps
W30S
Liquid-ring Vacuum Pumps (Water-ring Vacuum Pumps)
Features
- Ideal for exhausting water vapor, water droplets, and organic solvents.
- Good also for exhausting gases with dust and particles.
- It can also exhaust flammable corrosive gases.
- Simple construction, economical design.
- Material and seal type can also be changed.
- A variety of sealing liquids can be used.
- Effective as the final stage in compound exhaust systems.
Application
- Chemicals, Pharmaceuticals, Food processing
- Metal and Steel
- Medical equipments
- Industrial equipments
Specifications
Specifications
| Model | W30S | |
|---|---|---|
| Inlet | 25A JIS B 2290 VF | |
| Nominal volume flow rate (㎥/h) | 50/60Hz | 22/27 |
| Base pressure (kPa) ※1 | 2.7 | |
| Rotation speed (min⁻¹) | 50/60Hz | 2900/3500 |
| Standard motor output (kW) | 1.5 | |
| Refill water level (㎥/h) ※2 | 0.36 | |
| Weight (kg) | With totally enclosed fan cooling motor ※3 | 70 |
| Without motor | 50 | |
*1 : For a water temperature of 15℃.
*2 : Maximum refilling water temperature should be 35℃.
*3 : Non-standard motors are also available.
Allowable ambient temperature: 10 to 40℃ during operation, -5 to +60℃ in storage.
Drain water before storing to prevent freezing over.
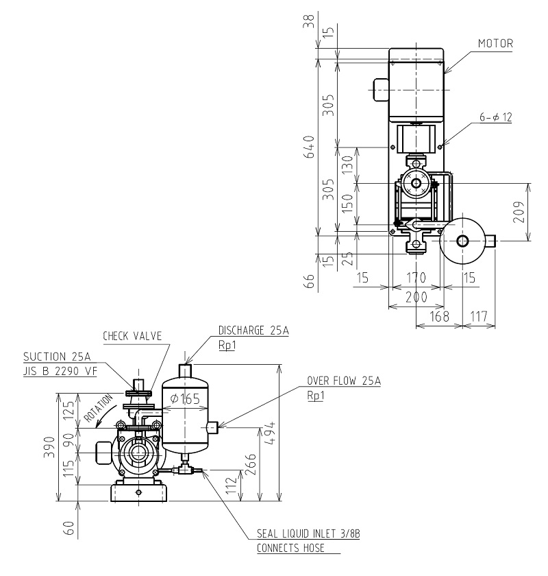
Dimensions

* Reprinting prohibited without permission. Contents are subject to change without notice.
Performance curve


* Reprinting prohibited without permission. Contents are subject to change without notice.
