Mechanical Booster Pumps (Roots Vacuum Pumps)
RD1200
Motor Directly-coupled Mechanical Booster Pumps
Features
- Its compact design integrates easily with existing systems.
- Lightweight and compact with a directly mounted motor.
- It can operate continuously at full load because the condensate doesn’t accumulate inside.
Application
- Semiconductors, FPD
- Thin Film Coating
- Metals, Steel, Industrial Equipment
- Medical, Chemical, Pharmaceutical, Food
- Research and Development
Specifications
Specifications
| Model | RD1200 | |
|---|---|---|
| Inlet | 100A JIS10KFF | |
| Nominal volume flow rate (50/60Hz) ※1 | ㎥/h | 1000/1200 |
| Allowable pressure difference [When using a standard motor] (kPa) | 50/60Hz | 5.3/4.7 |
| Base pressure (Pa) | Back pump single-stage RP | 7×10⁻² |
| Back pump 2-stage RP | 1.3×10⁻² | |
| Volume flow rate of standard backing pump (㎥/h) | 180~220 | |
| Rotation speed (r/min) | 50/60Hz | 3000/3600 |
| Standard motor output (kW) | 3.7 | |
| Oil capacity (L) | 2.7 | |
| Cooling water flow rate (㎥/h) ※2 | 0.4 | |
| Weight (kg) | With totally enclosed fan cooling motor | 280 |
| Without motor | 230 | |
*1: The effective volume flow rate varies according to the backing pump. For details, contact our sales representative.
*2: Maximum cooling water temperature should be 30℃.
-Allowable ambient temperature: 10 to 40℃ during operation, -5 to +60℃ in storage.
-Drain water before storing to prevent freezing over.
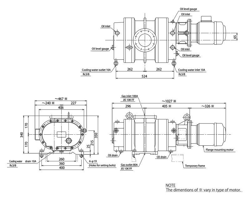
Dimensions

Reprinting prohibited without permission. Contents are subject to change without notice.
