Mechanical Booster Pumps (Roots Vacuum Pumps) Product Details
Mechanical Booster Pumps (Roots Vacuum Pumps)

RA100

Motor Directly-coupled Mechanical Booster Pumps

Features

  • Feature a compact footprint for easy integration into existing systems.
  • The wetted surface won’t rust thanks to its aluminum alloy material.
  • Because the internal shaft seal is a non-contact type, the maintenance interval is 2 or 3 times longer than the existing type.
  • Operator can check two oil level at the same side, one at the oil supply port and the other at the drain port.
  • Low noise, and low vibration.

Application

  • Semiconductors, FPD
  • Thin Film Coating
  • Metals, Steel, Industrial Equipment
  • Medical, Chemical, Pharmaceutical, Food
  • Research and Development

Specifications

Specifications

Model RA100
Inlet VG50
Nominal volume flow rate (50/60Hz) ※1 ㎥/h 90/110
Allowable pressure difference [When using a standard motor] (kPa) 50/60Hz 9.3/8.0
Base pressure (Pa) Back pump single-stage RP 7×10⁻²
Back pump 2-stage RP 1.3×10⁻²
Volume flow rate of standard backing pump (㎥/h) 18~36
Rotation speed (r/min) 50/60Hz 3000/3600
Standard motor output (kW) 0.4
Oil capacity (L) 0.33
Cooling water flow rate (㎥/h) ※2 0.06
Weight (kg) With totally enclosed fan cooling motor 25
Without motor 17

*1: The effective volume flow rate varies according to the backing pump. For details, contact our sales representative.
*2: Maximum cooling water temperature should be 30℃.
-Allowable ambient temperature: 10 to 40℃ during operation, -5 to +60℃ in storage.
-Drain water before storing to prevent freezing over.

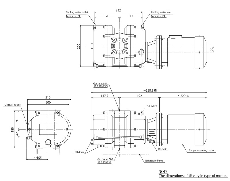
Dimensions

Reprinting prohibited without permission. Contents are subject to change without notice.

Back to Mechanical Booster Pumps (Roots Vacuum Pumps)
Mechanical Booster Pumps (Roots Vacuum Pumps)
RA100
Back to Homepage