Liquid-ring Vacuum Pumps
W630S/WA630S/WB630S
Liquid-ring Vacuum Pumps (Water-ring Vacuum Pumps)
Features
- Ideal for exhausting water vapor, water droplets, and organic solvents.
- Good also for exhausting gases with dust and particles.
- It can also exhaust flammable corrosive gases.
- Simple construction, economical design.
- Material and seal type can also be changed.
- A variety of sealing liquids can be used.
- Effective as the final stage in compound exhaust systems.
- Can achieve base pressure below the steam pressure of the liquid ring by attached the air ejector.
Application
- Chemicals, Pharmaceuticals, Food processing
- Metal and Steel
- Medical equipments
- Industrial equipments
Specifications
Specifications
| Model | W630S | WA630S ※1 | WB630S ※2 | |
|---|---|---|---|---|
| Inlet | 80A JIS B 2290 VF | |||
| Nominal volume flow rate (㎥/h) | 50/60Hz | 630/630 | ||
| Base pressure (kPa) ※3 | 2.7 | 0.8 | 0.13 | |
| Rotation speed (min⁻¹) | 50/60Hz | 950/950 | ||
| Standard motor output (kW) | 30 | |||
| Refill water level (㎥/h) ※4 | 4.8 | |||
| Weight (kg) | With totally enclosed fan cooling motor ※5 | 900 | 940 | 970 |
| Without motor | 700 | 740 | 770 | |
*1 : WA is equipped with a single-stage air-ejector.
*2 : WB is equipped with a 2-stage air-ejector.
*3 : For a water temperature of 15℃.
*4 : Maximum refilling water temperature should be 35℃.
*5 : Non-standard motors are also available.
Allowable ambient temperature: 10 to 40℃ during operation, -5 to +60℃ in storage.
Drain water before storing to prevent freezing over.
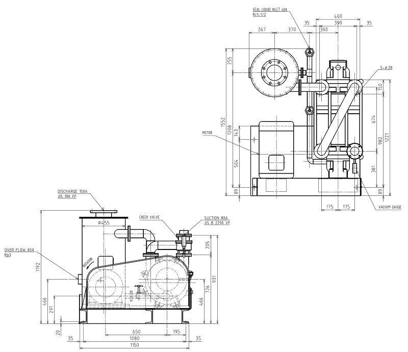
Dimensions

* Reprinting prohibited without permission. Contents are subject to change without notice.
Performance curve


* Reprinting prohibited without permission. Contents are subject to change without notice.
