Liquid-ring Vacuum Pumps
W50S/WA50S
Liquid-ring Vacuum Pumps (Water-ring Vacuum Pumps)
Features
- Ideal for exhausting water vapor, water droplets, and organic solvents.
- Good also for exhausting gases with dust and particles.
- It can also exhaust flammable corrosive gases.
- Simple construction, economical design.
- Material and seal type can also be changed.
- A variety of sealing liquids can be used.
- Effective as the final stage in compound exhaust systems.
- Can achieve base pressure below the steam pressure of the liquid ring by attached the air ejector.
Application
- Chemicals, Pharmaceuticals, Food processing
- Metal and Steel
- Medical equipments
- Industrial equipments
Specifications
Specifications
| Model | W50S | WA50S ※1 | |
|---|---|---|---|
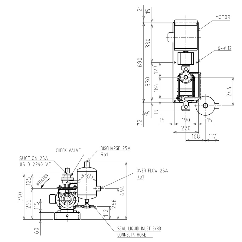
| Inlet | 25A JIS B 2290 VF | ||
| Nominal volume flow rate (㎥/h) | 50/60Hz | 44/50 | |
| Base pressure (kPa) ※2 | 2.7 | 0.8 | |
| Rotation speed (min⁻¹) | 50/60Hz | 2900/3500 | |
| Standard motor output (kW) | 2.2 | ||
| Refill water level (㎥/h) ※3 | 0.48 | ||
| Weight (kg) | With totally enclosed fan cooling motor ※4 | 90 | 110 |
| Without motor | 60 | 80 | |
※1 : WA is equipped with a single-stage air-ejector.
※2 : For a water temperature of 15℃.
※3 : Maximum refilling water temperature should be 35℃.
※4 : Non-standard motors are also available.
Allowable ambient temperature: 10 to 40℃ during operation, -5 to +60℃ in storage.
Drain water before storing to prevent freezing over.
Dimensions

* Reprinting prohibited without permission. Contents are subject to change without notice.
Performance curve


* Reprinting prohibited without permission. Contents are subject to change without notice.
