| Ⓐ | Ⓑ | Ⓒ | Ⓓ | Ⓔ | Ⓕ | Ⓖ |
| VG100 | φ185 | 15 | 264 | 185 | 238 | 226 |
| CF100 | φ152 | 21 | 264 | 185 | 236 | 226 |
| ISO-R100 | φ130 | 12 | 262 | 183 | 234 | 224 |
Ball Bearing Turbo Molecular Pumps
TS50
Helical Grooved Vacuum Pumps
Features
- All helical groove stage type rotor
- High gas throughput at medium to low vacuum
- Durable structure against more than 300,000 times of air inrush
- Conformance to safety standards: NRTL / SEMI-S2
Application
- Semiconductor manufacturing
- Electron gun, Ion source
- Surface treatment, Surface modification
- Electronic components manufacturing
- Light bulb manufacturing, optical components manufacturing
- Accelerator, Radiation facility, Nuclear fusion research
- Vacuum furnaces
- Research and development
Specifications
Specifications
| Model | TS50 | |
|---|---|---|
| Inlet | VG100 / CF100 / ISO-R100 | |
| Outlet | KF25 | |
| Volume flow rate | N₂ (L/s) | 25 |
| N₂ (with protective screen) (L/s) | 23 | |
| H₂ (L/s) | 13 | |
| Max. compression ratio | N₂ | 2×10⁶ |
| H₂ | 50 | |
| Base pressure | Pa | < 1×10⁻⁴ *³ |
| Torr | < 7.5×10⁻⁷ *³ | |
| Max. throughput *1 *2 | N₂ (sccm) | 600 |
| Startup time | min | 2.5~3.5 |
| Shutdown time | min | 2.5~5 |
| Max. backing pressure | Pa | 1200 |
| Torr | 9 | |
| Recommended backing vacuum pump | L/min | ≧80 |
| Mouting orientation | Vertical (±10°) | |
| Weight | kg | 11 |
| Controller model | TC203A | |
*1: 1Pa・L/s(25℃)=0.543sccm(0℃, 1atm)
*2: When using a 160L/min backing pump
*3: Pressure attained after 48 hours of bake-out.
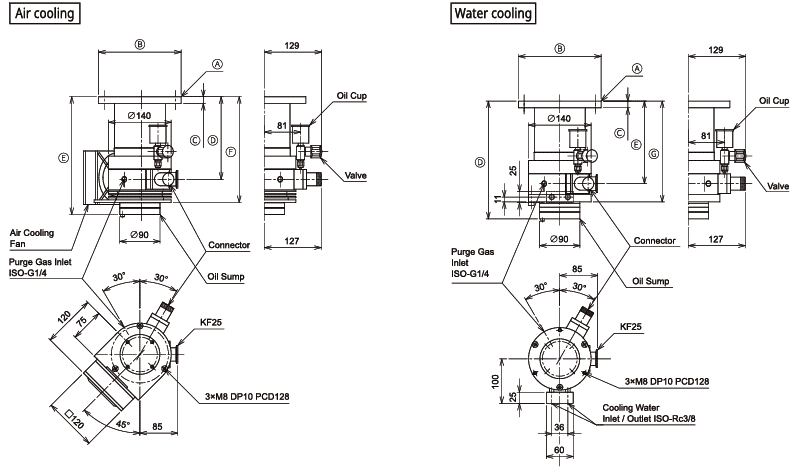
Dimensions

* All bolt holes of the inlet flanges straddle the centerlines.
* Reprinting is prohibited without permission. Contents are subject to change without notice.
Performance curve
【Gus throughput】

【Volume flow rate】

* Sf: Volume flow rate of the backing pump
* Reprinting prohibited without permission. Contents are subject to change without notice.
Controller


| Controller model | TC203A |
|---|---|
| Input Voltage | AC100-110V / AC200-230V |
| Input Phases | Single |
| Input Frequency (Hz) | 50/60 |
| Rated Output Frequency (Hz) | 800 |
| Input Power (VA) | 610 |
| Weight (kg) | 2.7 |
| Communication interface | Parallel I/O・RS232C |
| Standard accessories | ・Input connector: 1 ・Remote connector: 1 ・Serial communication connector: 1 ・Manual (Instruction, Serial communication instruction): 1 copy each |
