Magnetically Levitated Turbo Molecular Pumps Product Details
Magnetically Levitated Turbo Molecular Pumps

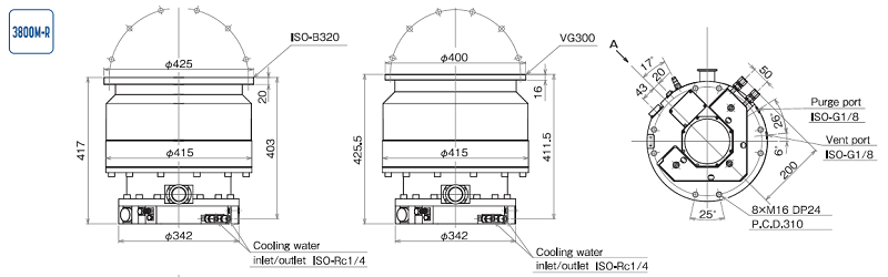
TGkine3800M-R

Magnetically Levitated Turbo Molecular Pump

Features

  • Energy-saving design
  • A memory function in the pump body is equipped to store operation data, setting parameters, abnormal history, and so on.
    ※All the data can be transferred even if the controller is replaced during an overhaul.
  • Various communication interfaces: EtherCAT compatible
  • International standard: CE/NRTL/SEMI-S2 certified

Application

  • Semiconductor manufacturing
  • FPD manufacturing
  • Solar cell manufacturing
  • Manufacturing of optical parts such as glass / lens
  • Film coating
  • Accelerator /Space simulator

Specifications

Specifications

Model ※1 TGkine3804M-R TGkine3805M-R
Inlet ISO-B320/VG300
Outlet ※2 KF40 KF50
Volume flow rate N₂ (L/s) 3600
N₂ (with protective screen) (L/s) 3400
H₂ (L/s) 2700
Max. compression ratio N₂ >2×10⁸
H₂ 2×10³
Base pressure ※5 Pa <5×10⁻⁷
Torr <3.8×10⁻⁹
Max. throughput ※3 ※4 N₂ (sccm) 2800 2800
Ar (sccm) 1300 1300
Startup time min ≦12 ≦12
Shutdown time min ≦14 ≦14
Max. backing pressure ※6 Pa 160
Torr 1.2
Recommended backing vacuum pump L/min ≧2000
Mouting orientation Vertical only
Weight kg 74/72
Controller model TC0341M

※1:Please contact us for the specific model name.
※2:Specifictions may vary depending upon the model.
※3:1Pa・L/s (25 ℃) = 0.543 sccm (0℃, 1 atm)
※4:When the pump is backed by a 5000 L/min backing pump.
※5:Pressure attained after 48 hours of bake -out.
※6:Max. foreline pressure in which the pump can continue to run without triggering the fail-safe acceleration-shutdown feature.

Dimensions

*Reprinting prohibited without permission. Contents are subject to change without notice.

Performance curve

【Gas throughput】

【Volume flow rate】

*Reprinting prohibited without permission. Contents are subject to change without notice.

Controller

Controller model TC0341M
Input Voltage AC200~240V (-15~+10%)
Input Phases Single
Input Frequency (Hz) 50/60
Input Power (VA) 1000
Weight (kg) 8
Communication interface Parallel I/O・RS232C・RS485・ Profibus・DeviceNet・EtherCAT
Standard accessories ・Input cable (5m):1 pc.
・Instruction manual
 (controller, communication interface):1 copy for each.
Back to Product Lineup
Magnetically Levitated Turbo Molecular Pumps
TGkine3800M-R
Back to Homepage