Magnetically Levitated Turbo Molecular Pumps
TGkine2200M-R
Magnetically Levitated Turbo Molecular Pump
Features
- Energy-saving design
- A memory function in the pump body is equipped to store operation data, setting parameters, abnormal history, and so on.
※All the data can be transferred even if the controller is replaced during an overhaul. - Various communication interfaces: EtherCAT compatible
- International standard: CE/NRTL/SEMI-S2 certified
Application
- Semiconductor manufacturing
- FPD manufacturing
- Solar cell manufacturing
- Manufacturing of optical parts such as glass / lens
- Film coating
- Accelerator /Space simulator
Specifications
Specifications
| Model ※1 | TGkine2204M-R | TGkine2205M-R | |
|---|---|---|---|
| Inlet | ISO-B250/VG250 | ||
| Outlet ※2 | KF40 | KF50 | |
| Volume flow rate | N₂ (L/s) | 2200 | |
| N₂ (with protective screen) (L/s) | 2100 | ||
| H₂ (L/s) | 1800 | ||
| Max. compression ratio | N₂ | >2×10⁸ | |
| H₂ | 3×10³ | ||
| Base pressure ※5 | Pa | <2×10⁻⁷ | |
| Torr | <1.5×10⁻⁹ | ||
| Max. throughput ※3 ※4 | N₂ (sccm) | 7000 | 7000 |
| Ar (sccm) | 3000 | 3000 | |
| Startup time | min | ≦10 | ≦10 |
| Shutdown time | min | ≦10 | ≦10 |
| Max. backing pressure ※6 | Pa | 220 | |
| Torr | 1.65 | ||
| Recommended backing vacuum pump | L/min | ≧2000 | |
| Mouting orientation | Any | ||
| Weight | kg | 59 | |
| Controller model | TC0321M | ||
※1:Please contact us for the specific model name.
※2:Specifictions may vary depending upon the model.
※3:1Pa・L/s (25 ℃) = 0.543 sccm (0℃, 1 atm)
※4:When the pump is backed by a 5000 L/min backing pump.
※5:Pressure attained after 48 hours of bake -out.
※6:Max. foreline pressure in which the pump can continue to run without triggering the fail-safe acceleration-shutdown feature.
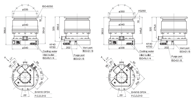
Dimensions

*Reprinting prohibited without permission. Contents are subject to change without notice.
Performance curve
【Gas throughput】

【Volume flow rate】

*Reprinting prohibited without permission. Contents are subject to change without notice.
Controller


| Controller model | TC0321M |
|---|---|
| Input Voltage | AC200~240V (-15~+10%) |
| Input Phases | Single |
| Input Frequency (Hz) | 50/60 |
| Input Power (VA) | 900 |
| Weight (kg) | 8 |
| Communication interface | Parallel I/O・RS232C・RS485・ Profibus・DeviceNet・EtherCAT |
| Standard accessories | ・Input cable (5m):1 pc. ・Instruction manual (controller, communication interface):1 copy for each. |
