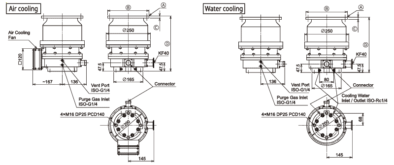
| Ⓐ | Ⓑ | Ⓒ | Ⓓ |
| VG150 | φ235 | 12 | 312.5 |
| CF160 | φ203 | 22 | 327.5 |
| ISO-B160 | φ225 | 16 | 312.5 |
TG800F
Grease-lubricated ball bearing type Turbo Molecular Pumps
Features
- Any orientation
- Compact size
- Energy-saving
- Quick shut down with gas vent
- Durable structure for air inrush
- Serial communication
- Certificated safety standard: NRTL / SEMI-S2 / CE
Application
- Semiconductor production
- Electronics gun exhaust, ionization source exhaust
- FPD manufacturing
- Surface treatment, surface modification
- Manufacture of various electronic components
- Analysis, testing equipment
- Lamp production, optical components production
- Accelerating device, radiation facility, nuclear fusion research
- Heat treatment
- Research and development
※ If exhausting corrosive gases, choose from our chemical-use TG-M or TG Series.
Specifications
Specifications
| Model ※3 | TG800F□AB / TG800F□WB | TG800F□AB-60 / TG800F□WB | |
|---|---|---|---|
| Inlet | VG150 / ISO-B160 / CF160 | ||
| Outlet | KF40 | KF40 | |
| Volume flow rate | N₂ (L/s) | 820 | |
| N₂ (with protective screen) (L/s) | 750 | ||
| H₂ (L/s) | 650 | ||
| Max. compression ratio | N₂ | 1×10⁸ | |
| H₂ | 1×10⁴ | ||
| Base pressure | Pa | <1×10⁻⁶ | |
| Torr | <7.5×10⁻⁹ | ||
| Max. throughput ※1 ※2 | N₂ (sccm) | 330 | 860 |
| Startup time ※2 | min | 7~9 | 5.5~7 |
| Shutdown time ※2 | min | 27~32 | 12~15 |
| Max. backing pressure | Pa | 330 | |
| Torr | 2.5 | ||
| Recommended backing vacuum pump | L/min | ≧250 | |
| Mouting orientation | Any orientation | ||
| Weight | kg | 26 (VG・ISO-B) / 27 (CF) | |
| Controller model | TC1104A | TC1103 | |
※1: This maximum throughput is based on a 500 L/min backing pump.
※2: Differs according to the power supply model. (standard: TC1104)
※3: Please contact us for the model number.
[Ambient Temperature]
The base pressure is guaranteed only at ambient temperatures ranging from 10 to 23°C. The operating temperature range is 10 to 32°C for the air-cooling models and 10 to 40°C for the water-cooling models. The base pressure is only guaranteed at a water temperature of 30°C or below. The water temperature range is 10 to 35°C.
[Applicable Gases]
Some gases may damage the bearing grease or internal components. Contact us about the types of gases that can be used.
Dimensions

※ Bolt holes for the flange on the intake are arranged symmetrically around the centerline.
※ Reprinting prohibited without permission. Contents are subject to change without notice.
Performance curve
【Gus throughput】

【Volume flow rate】

※ Sf: Volume flow rate of the backing pump
※ Reprinting prohibited without permission. Contents are subject to change without notice.
Controller


| Controller model | TC1104A | TC1103 |
|---|---|---|
| Input Voltage | AC 100-110 V / AC 200-230 V | AC 200-230 V |
| Input Phases | Single | Single |
| Input Frequency (Hz) | 50/60 | 50/60 |
| Rated Output Frequency (Hz) | 560 | 560 |
| Input Power (VA) | 610 | 810 |
| Weight (kg) | 2.7 | 8.2 |
| Communication interface | Parallel I/O・RS232C | Parallel I/O・RS232C |
| Standard accessories | -Input connector: 1 -Remote connector: 1 -Serial communication connector: 1 -Manual (Instruction, Serial communication instruction): 1copy |
-Input connector: 1 -Remote connector: 1 -Serial communication connector: 1 -Ferrite core: 1 -Manual(Instruction, Serial communication instruction): 1copy |
