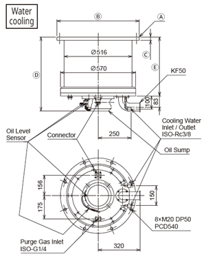
| Ⓐ | Ⓑ | Ⓒ | Ⓓ | Ⓔ |
| VG500 | φ625 | 25 | 560 | 447 |
TG5500/TG5503
Oil-lubricated ball bearing type Turbo Molecular Pumps
Features
- Standard types and corrosive resistant types are available.
- The world’s largest volume flow rate compound molecular pump.
- Durable structure for air inrush.
- Sturdy, resists external impacts.
Application
- Semiconductor production
- Electronics gun exhaust, ionization source exhaust
- FPD manufacturing
- Surface treatment, surface modification
- Manufacture of various electronic components
- Lamp production, optical components production
- Accelerating device, radiation facility, nuclear fusion research
- Heat treatment
- Research and development
* TG-M and TGkine series is available for clean processes.
Specifications
Specifications
| Model | TG5500/TG5503 | |
|---|---|---|
| Inlet | VG500 | |
| Outlet | KF50 | |
| Volume flow rate | N₂ (L/s) | 5500 |
| N₂ (with protective screen) (L/s) | 5200 | |
| H₂ (L/s) | 4400 | |
| Max. compression ratio | N₂ | 1×10⁸ |
| H₂ | 5×10³ | |
| Base pressure | Pa | <1×10⁻⁶ |
| Torr | <7.5×10⁻⁹ | |
| Max. throughput ※1 | N₂ (sccm) | 1200 |
| Startup time | min | 25~35 |
| Shutdown time | min | 30~40 |
| Max. backing pressure | Pa | 200 |
| Torr | 1.5 | |
| Recommended backing vacuum pump | L/min | ≧1500 |
| Mouting orientation | Vertical (±10°) | |
| Lubrication oil quantity | mL | 1000 |
| Weight | kg | 250 |
| Controller model | TC5503 | |
*1: This max throughput is based on a 3000 L/min backing pump.
[Ambient temperature for use]
The base pressure is only guaranteed at an ambient temperature ranging from 10 to 23°C. The operating temperature range is 10 to 32°C for the air-cooling models and 10 to 40°C for the water-cooling models. The base pressure is only guaranteed at a water temperature of 30°C or below. The water temperature range is 10 to 35°C.
[Applicable Gases]
Some gases may damage the bearing grease or internal components. Contact us about the types of gases that can be used.
Dimensions

* All bolt holes of the inlet flanges straddle the centerlines.
* Reprinting is prohibited without permission. Contents are subject to change without notice.
Performance curve
【Gus throughput】

【Volume flow rate】

* Sf: Volume flow rate of the backing pump
* Reprinting prohibited without permission. Contents are subject to change without notice.
Controller


| Controller model | TC5503 |
|---|---|
| Input Voltage | AC 200-230 V |
| Input Phases | Single |
| Input Frequency (Hz) | 50/60 |
| Rated Output Frequency (Hz) | 500 |
| Input Power (VA) | 2200 |
| Weight (kg) | 8.7 |
| Communication interface | Parallel I/O・RS232C |
| Standard accessories | ・Input connector: 1 ・Remote connector: 1 ・Serial communication connector: 1 ・Ferrite core: 1 ・Manual (Instruction, Serial communication instruction): 1 copy each |
