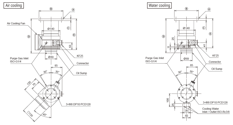
| Ⓐ | Ⓑ | Ⓒ | Ⓓ | Ⓔ |
| VG100 | φ185 | 15 | 264 | 226 |
| CF100 | φ152 | 21 | 264 | 226 |
| ISO-R100 | φ130 | 12 | 262 | 224 |
TG203
Oil-lubricated ball bearing type Turbo Molecular Pumps
Features
- Corrosive resistant type for corrosive gases.
- Durable structure for air inrush.
- Sturdy, resists external impacts.
- Serial communication
※RS232C Serial interface - Conforms to recognized safety standard: NRTL / SEMI-S2 / CE
Application
- Semiconductor production
- Electronics gun exhaust, ionization source exhaust
- FPD manufacturing
- Surface treatment, surface modification
- Manufacture of various electronic components
- Lamp production, optical components production
- Accelerating device, radiation facility, nuclear fusion research
- Heat treatment
- Research and development
*TG-F, TG-M and TGkine series is available for clean processes.
Specifications
Specifications
| Model | TG203 | |
|---|---|---|
| Inlet | VG100 / CF100 / ISO-R100 | |
| Outlet | KF25 | |
| Volume flow rate | N₂ (L/s) | 200 |
| N₂ (with protective screen) (L/s) | 140 | |
| H₂ (L/s) | 150 | |
| Max. compression ratio | N₂ | 1×10⁸ |
| H₂ | 4×10³ | |
| Base pressure | Pa | <1×10⁻⁶ (VG・ISO-R), <1×10⁻⁷ (CF) |
| Torr | <7.5×10⁻⁹ (VG・ISO-R), <7.5×10⁻¹⁰ (CF) | |
| Max. throughput ※1 | N₂ (sccm) | 543 |
| Startup time | min | 4~6 |
| Shutdown time | min | 4~6 |
| Max. backing pressure | Pa | 550 |
| Torr | 4.1 | |
| Recommended backing vacuum pump | L/min | ≧80 |
| Mouting orientation | Vertical (±10°) | |
| Weight | kg | 11 |
| Controller model | TC203A | |
*1: This max throughput is based on a 160 L/min backing pump.
[Ambient temperature for use]
The base pressure is only guaranteed at an ambient temperature ranging from 10 to 23°C. The operating temperature range is 10 to 32°C for the air-cooling models and 10 to 40°C for the water-cooling models. The base pressure is only guaranteed at a water temperature of 30°C or below. The water temperature range is 10 to 35°C.
[Applicable Gases]
Some gases may damage the bearing grease or internal components. Contact us about the types of gases that can be used.
Dimensions

* All bolt holes of the inlet flanges straddle the centerlines.
* Reprinting is prohibited without permission. Contents are subject to change without notice.
Performance curve
【Gus throughput】

【Volume flow rate】

* Sf: Volume flow rate of the backing pump
* Reprinting prohibited without permission. Contents are subject to change without notice.
Controller


| Controller model | TC203A |
|---|---|
| Input Voltage | AC100-110V / AC200-230V |
| Input Phases | Single |
| Input Frequency (Hz) | 50/60 |
| Rated Output Frequency (Hz) | 800 |
| Input Power (VA) | 610 |
| Weight (kg) | 2.7 |
| Communication interface | Parallel I/O・RS232C |
| Standard accessories | ・Input connector: 1 ・Remote connector: 1 ・Serial communication connector: 1 ・Manual (Instruction, Serial communication instruction): 1 copy each |
