| Model | A | B | C |
|---|---|---|---|
| ST050FV060 | VG65 | 590 | 155 |
| ST050FR060 | ISO-R63 | 611 | 155 |
| ST050FC060 | CF63 | 625 | 155 |
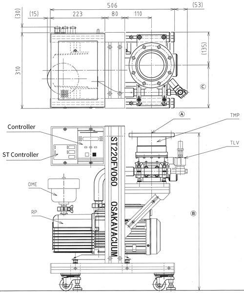
| ST220FV060 | VG100 | 643 | 175 |
| ST220FR060 | ISO-R100 | 643 | 175 |
| ST220FC060 | CF100 | 663 | 175 |
| ST350FV060 | VG100 | 673 | 175 |
| ST350FR060 | ISO-R100 | 657 | 175 |
| ST350FC060 | CF100 | 673 | 175 |
Vacuum Pumping Systems
ST SERIES (TG-F series + Rotary Vane Pump)
Turbo molecular pumping system
Features
- A compact turbo molecular pumping system that integrates all the essential components required for high-vacuum pumping.
- Pumping down to high vacuum with a simple operation.
- Equipped with casters, allowing easy relocation to wherever and whenever it’s needed.
- Features the TG-F Series turbo molecular pump, known for its high tolerance to external shocks (can even be moved while operating).
* Optional accessories are available to match your needs.
Specifications
Specifications
| Model | ST050F*060 | ST220F*060 | ST350F*060 | |
|---|---|---|---|---|
| Turbo Molecular Pump | TG50F | TG220F | TG350F | |
| Volume flow rate | N₂ (L/s) | 51 | 220 | 350 |
| N₂ (with protective screen) (L/s) | 49 | 210 | 330 | |
| Base pressure | (Pa) | <3×10⁻⁶ | <1×10⁻⁶ | <1×10⁻⁶ |
| (Torr) | <2.3×10⁻⁸ | <7.5×10⁻⁹ | <7.5×10⁻⁹ | |
| Inlet | VG65 / ISO-R63 / CF63 | VG100 / ISO-R100 / CF100 | VG100 / ISO-R100 / CF100 | |
| backing vacuum pump | Oil-sealed rotary vane pump 67 / 80 L/min (50/60Hz) | Oil-sealed rotary vane pump 67 / 80 L/min (50/60Hz) | Oil-sealed rotary vane pump 67 / 80 L/min (50/60Hz) | |
| Cooling system | Forced air cooling | |||
| Power supply | Single-phase, AC100V/200V | |||
| Standard equipment configuration | ・Turbo molecular pump: TG50F~TG350F ・Backing pump: Direct-drive oil-sealed rotary vane pump ・Controller ・ST Controller ・Vacuum fittings: Flexible tube, elbow, clamp, etc. ・Automatic slow leak valve ・Oil mist trap ・Aluminum frame (with casters) |
|||
※1:Equipped with an oil mist separator; the inlet filter is not included.
In addition to the standard configurations, the pumping system can be customized to meet your needs. For more details, please contact us.
Dimensions

* Reprinting prohibited without permission. Contents are subject to change without notice.
