Mechanical Booster Pumps (Roots Vacuum Pumps)
RD302
Motor directly-coupled Mechanical booster pumps
Features
- Its compact design integrates easily with existing systems.
- Lightweight and compact with a directly mounted motor.
- It can operate continuously at full load because the condensate doesn’t accumulate inside.
Application
- Semiconductors, FPD
- Thin Film Coating
- Metals, Steel, Industrial Equipment
- Medical, Chemical, Pharmaceutical, Food
- Research and Development
Specifications
Specifications
| Model | RD302 | |
|---|---|---|
| Inlet | 80A JISB2290VF | |
| Nominal volume flow rate (50/60Hz) ※1 | ㎥/h | 250/300 |
| Allowable pressure difference [When using a standard motor] (kPa) | 50/60Hz | 9.3/8.0 |
| Base pressure (Pa) | Back pump single-stage RP | 7×10⁻² |
| Back pump 2-stage RP | 1.3×10⁻² | |
| Volume flow rate of standard backing pump (㎥/h) | 36~100 | |
| Rotation speed (r/min) | 50/60Hz | 3000/3600 |
| Standard motor output (kW) | 1.5 | |
| Oil capacity (L) | 0.9 | |
| Cooling system | Air cooling | |
| Weight (kg) | With totally enclosed fan cooling motor | 110 |
| Without motor | 80 | |
*1: The effective volume flow rate varies according to the backing pump. For details, contact our sales representative.
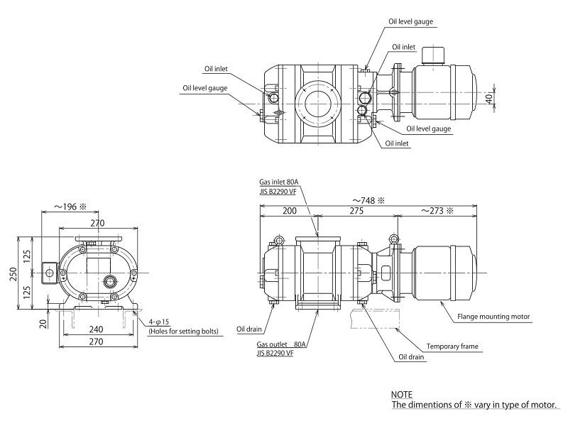
Dimensions

Reprinting prohibited without permission. Contents are subject to change without notice.
