Mechanical Booster Pumps (Roots Vacuum Pumps)
R6002
Belt Drive Type Mechanical Booster Pumps
Features
- Belt-drive type with large pumping speed.
- Ideal for large chambers, like those for space simulation, drying, casting, EBW, or roll-to-roll coating.
- Maximizes pumping performance even in high inlet pressure ranges with an optional relief valve.
- Provides the optimal configuration tailored to each process.
Application
- Semiconductors, FPD
- Thin Film Coating
- Metals, Steel, Industrial Equipment
- Medical, Chemical, Pharmaceutical, Food
- Research and Development
Specifications
Specifications
| Model | R6002 | |
|---|---|---|
| Inlet | 300A JIS5KFF | |
| Nominal volume flow rate (50/60Hz) ※1 | ㎥/h | 6000 |
| Allowable pressure difference [When using a standard motor] (kPa) | 50/60Hz | 4.7 |
| Base pressure (Pa) | Back pump single-stage RP | 7×10⁻² |
| Back pump 2-stage RP | 1.3×10⁻² | |
| Volume flow rate of standard backing pump (㎥/h) | 690~900 | |
| Rotation speed (r/min) | 50/60Hz | 1200 |
| Standard motor output (kW) | 11 | |
| Oil capacity (L) | 2.5 | |
| Cooling water flow rate (㎥/h) ※2 | 1.1 | |
| Weight (kg) | With totally enclosed fan cooling motor | 1050 |
| Without motor | 940 | |
*1: The effective volume flow rate varies according to the backing pump. For details, contact our sales representative.
*2: Maximum cooling water temperature should be 30℃.
-Allowable ambient temperature: 10 to 40℃ during operation, -5 to +60℃ in storage.
-Drain water before storing to prevent freezing over.
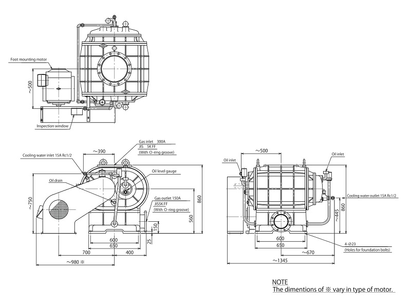
Dimensions

Reprinting prohibited without permission. Contents are subject to change without notice.
