Oil-sealed Rotary Vacuum Pumps
P180
Oil-sealed Rotary Piston Vacuum Pumps
Features
- Stable and continuous operation at high pressures (low vacuum zones)
- Withstanding operation characterized by severe repetition
- Robust exhaust valve
- Sight glass for observing oil circulation
- Oil gauge for observing oil level
- Efficient oil separator
- Easy to make an inspection and maintain the exhaust valve case
- Easy cleaning oil tank because of a large cleanout
- Quickly discharge the oil accumulated in the oil tanks via the oil drain valve
- Easily maintained shaft sealing assembly
Specifications
Specifications
| Model | P180 | |
|---|---|---|
| Inlet | 80A JIS10KFF | |
| Nominal volume flow rate (50/60Hz) | ㎥/h | 180 |
| L/min | 3000 | |
| Permissible inlet pressure for continuous operation (kPa) | ≦7 | |
| Allowable backing pressure (kPa) | ≦120 | |
| Base pressure (Pa) | 0.7 | |
| Maximum volume for pump down time limit ※1 | min (min) | ≦10 |
| m³ (㎥) | ≦7 | |
| Rotation speed (r/min) | 50/60Hz | 390 |
| Standard motor output (kW) | 3.7 | |
| Oil capacity (L) | 15 | |
| Cooling system | Air cooling | |
| Weight (kg) | With totally enclosed fan cooling motor | 370 |
| Without motor | 320 | |
*1: Applies to the time from atmospheric pressure to 7 kPa with a chamber free of leakage or outgassing.
*2: Maximum cooling water temperature should be 30℃.
-Allowable ambient temperature: 10 to 40℃ during operation, -5 to +60℃ in storage.
-Drain water before storing to prevent freezing over.
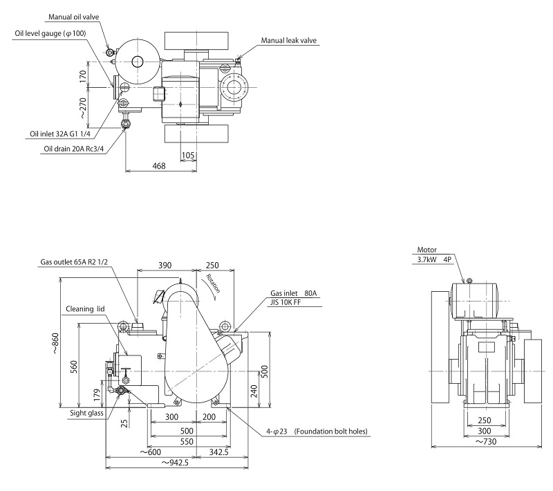
Dimensions

Reprinting prohibited without permission. Contents are subject to change without notice.
Performance curve

Reprinting prohibited without permission. Contents are subject to change without notice.
