Dry Vacuum Pumps Product Details
Dry Vacuum Pumps

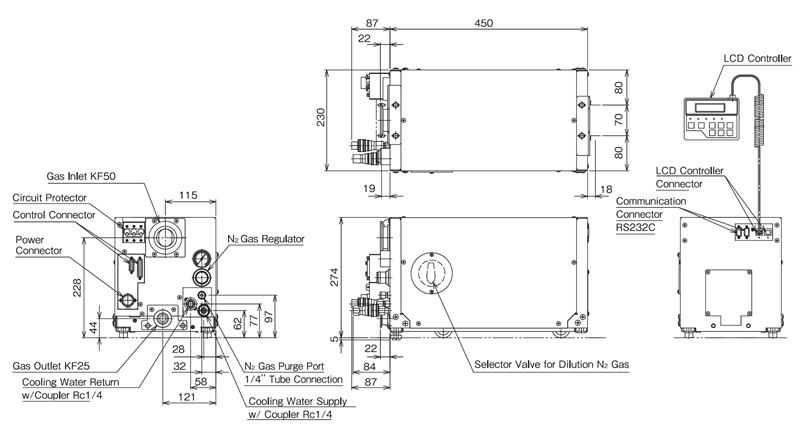
ER100D/ER100DC

Energy-saving Multi-stage Roots Vacuum Pumps

Features

  • ER100D/ER100DC are among the best in the class in energy efficiency as well as lightness and compactness.
    Energy consumption at ultimate pressure: 400W
    Footprint: 0.11m2
    Weight: 60kg
  • Two types are available for your needs.
    ER100D: for light load, non-corrosive gas pumping
    ER100DC: employs anti-corrosive materials for corrosive gas pumping

Application

  • Clean exhaust
  • Sputtering system
  • Backing vacuum pump for TMP
  • Load-lock and transfer chamber
  • Small laboratory system
  • Small furnace
  • Analysis devices
  • Ion source, EB-gun

Specifications

Specifications

Performance
Model ER100D/ER100DC
Inlet KF50
Outlet KF25
Volume flow rate (L/min) 1670
Base pressure (Pa) 5.0
Approx. Weight (kg) 60
Power/Utility
Phase Three phase
Voltage (V) 200-220
Frequency (Hz) 50/60
Power capability (VA) 3200
Energy consumption at base pressure (W) 400
Other specifications
N₂ gas purge throughput (Pa・㎥/s) 17~20
Cooling water flow rate (L/min) 1.5~3.0
Cooling water temperature (℃) Max. 30

[Corresponding gases]
Some types of gas to be evacuated may damage the pump.
Contact Osaka Vacuum for a list of applicable gas types.

Dimensions

Reprinting prohibited without permission. Contents are subject to change without notice.

Performance curve

Reprinting prohibited without permission. Contents are subject to change without notice.

Back to Dry Vacuum Pumps
Dry Vacuum Pumps
ER100D/ER100DC
Back to Homepage