液环真空泵 产品详情
液环真空泵

W80S/WA80S

液环式真空泵(水环式真空泵)

产品特点

  • 适用于含有水蒸气,水滴,有机溶剂的排气
  • 可以抽含尘气体
  • 可以抽易燃气体以及腐蚀性气体
  • 构造简单,价格便宜,安装简单
  • 可以更改材质或密封形式
  • 可以使用各种密封液
  • 适用于符合排气系统的最后段
  • 串联大气喷射器,实现低于密封液蒸汽压的极限压力

用途

  • 化学、医药品、食品
  • 金属、钢铁
  • 医疗
  • 产业机器

规格一览

规格

型号 W80S WA80S ※1
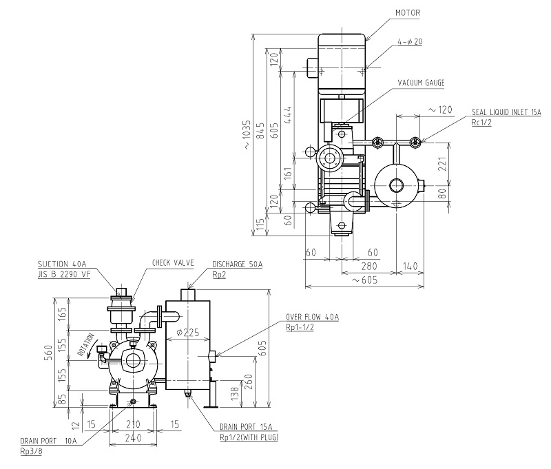
吸气口 40A JIS B 2290 VF
额定排气速度 (㎥/h) 50/60Hz 70/84
极限压力 (kPa) ※2 2.7 0.8
转速 (min⁻¹) 50/60Hz 1450/1750
标准电机功率 (kW) 3.7
补水量 (㎥/h) ※3 0.6
重量 (kg) 附带全封闭式风扇外置型电机 ※4 160 180
无电机 120 140

※1:WA为附带1级大气喷射器时。
※2:水温为15℃时。
※3:补水量最高请以35℃为基准。
※4:可提供标准规格以外的电机。
容许的环境温度:运行时为+10℃~+40℃、保管时为-5℃~+60℃。
请将水排净,以防止保管真空泵时产生冻裂。

外观尺寸表

※未经许可,请勿转载。相关记载会根据产品更新等原因可能会变化,恕不另行通知。

性能曲线

※未经许可,请勿转载。相关记载会根据产品更新等原因可能会变化,恕不另行通知。

返回液环真空泵
液环真空泵
W80S/WA80S
返回首页