液环真空泵
W30S
液环式真空泵(水环式真空泵)
产品特点
- 适用于含有水蒸气,水滴,有机溶剂的排气
- 可以抽含尘气体
- 可以抽易燃气体以及腐蚀性气体
- 构造简单,价格便宜,安装简单
- 可以更改材质或密封形式
- 可以使用各种密封液
- 适用于符合排气系统的最后段
用途
- 化学、医药品、食品
- 金属、钢铁
- 医疗
- 产业机器
规格一览
规格
| 型号 | W30S | |
|---|---|---|
| 吸气口 | 25A JIS B 2290 VF | |
| 额定排气速度 (㎥/h) | 50/60Hz | 22/27 |
| 极限压力 (kPa) ※1 | 2.7 | |
| 转速 (min⁻¹) | 50/60Hz | 2900/3500 |
| 标准电机功率 (kW) | 1.5 | |
| 补水量 (㎥/h) ※2 | 0.36 | |
| 重量 (kg) | 附带全封闭式风扇外置型电机 ※3 | 70 |
| 无电机 | 50 | |
※1:水温为15℃时。
※2:补水量最高请以35℃为基准。
※3:可提供标准规格以外的电机。
容许的环境温度:运行时为+10℃~+40℃、保管时为-5℃~+60℃。
请将水排净,以防止保管真空泵时产生冻裂。
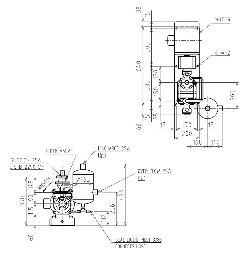
外观尺寸表

※未经许可,请勿转载。相关记载会根据产品更新等原因可能会变化,恕不另行通知。
性能曲线


※未经许可,请勿转载。相关记载会根据产品更新等原因可能会变化,恕不另行通知。
