磁悬浮轴承型涡轮分子泵
TGkine3800M-R
磁悬浮轴承型涡轮分子泵
产品特点
- 省电设计
- 在真空泵本体中,可存储设置参数,运转数据及异常历史等。
※即使在维护阶段更换控制器,也可实现全数据转移。 - 支持多种通信接口规格(兼容EtherCAT通信协定)
- 适用于国际规格 CE/NRTL/SEMI-S2
用途
- 半导体制造设备
- FPD制造设备
- 太阳能电池制造设备
- 玻璃/镜片等光学部件加工
- 镀膜工艺
- 加速器/宇宙环境模拟器
规格一览
规格
| 型号 ※1 | TGkine3804M-R | TGkine3805M-R | |
|---|---|---|---|
| 吸气口 | ISO-B320/VG300 | ||
| 排气口 ※2 | KF40 | KF50 | |
| 排气速度 | N₂ (L/s) | 3600 | |
| N₂ (附加金属保护网) (L/s) | 3400 | ||
| H₂ (L/s) | 2700 | ||
| 最大压缩比 | N₂ | >2×10⁸ | |
| H₂ | 2×10³ | ||
| 极限压力 ※5 | Pa | <5×10⁻⁷ | |
| Torr | <3.8×10⁻⁹ | ||
| 最大气体流量 ※3 ※4 | N₂ (sccm) | 2800 | 2800 |
| Ar (sccm) | 1300 | 1300 | |
| 启动时间 | min | ≦12 | ≦12 |
| 停止时间 | min | ≦14 | ≦14 |
| 允许辅助压力 ※6 | Pa | 160 | |
| Torr | 1.2 | ||
| 推荐辅助泵 | L/min | ≧2000 | |
| 安装角度 | 正立或倒立 | ||
| 重量 | kg | 74/72 | |
| 控制器型号 | TC0341M | ||
※1: 关于型号,请咨询销售人员。
※2: 根据型号规格有所不同
※3: 1Pa·L/s(25℃)=0.543sccm(0℃、1气压)
※4: 辅助泵抽速5000L/min情况下的数值。
※5: 48小时烘烤后得到的数值。
※6: N2气氛,泵无受损情况下可连续运转的最大排气口压力。
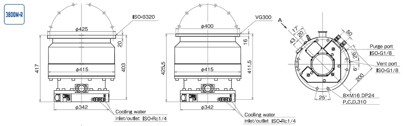
外观尺寸表

※未经许可,请勿转载。相关记载会根据产品更新等原因可能会变化,恕不另行通知。
性能曲线
【气体流量】

【排气速度】

※未经许可,请勿转载。相关记载会根据产品更新等原因可能会变化,恕不另行通知。
控制器


| 控制器型号 | TC0341M |
|---|---|
| 输入电压 | AC200~240V (-15~+10%) |
| 相数 | 单相 |
| 输入频率 (Hz) | 50/60 |
| 所需最大电力 (VA) | 1000 |
| 重量 (kg) | 8 |
| 通信接口规格 | Parallel I/O・RS232C・RS485・ Profibus・DeviceNet・EtherCAT |
| 标准配件 | ・输入电缆(5m):1本 ・使用说明书(控制器本体、串联通信):各1册 |
