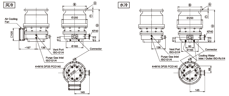
| Ⓐ | Ⓑ | Ⓒ | Ⓓ |
| VG150 | φ235 | 12 | 312.5 |
| CF160 | φ203 | 22 | 327.5 |
| ISO-B160 | φ225 | 16 | 312.5 |
滚珠轴承型涡轮分子泵
TG800F
脂润滑滚珠轴承涡轮分子泵
产品特点
- 全方位安装
- 轻巧设计
- 节能
- 使用破控功能可迅速停止
- 耐大气冲击能力强
- 多种通信模式
- 符合安全规格:NRTL/SEMI-S2/CE
用途
- 半导体制造
- 电子枪排气,离子源排气
- FPD制造
- 表面处理,表面改质
- 各种电子部件的制造
- 分析,试验装置
- 管球制造,光学部件制造
- 加速器,放射线设施,核聚变研究
- 热处理
- 研究开发
※ 排放腐蚀性气体时,请选择耐腐蚀性的TG-M,TG系列。
规格一览
规格
| 型号 ※3 | TG800F□AB / TG800F□WB | TG800F□AB-60 / TG800F□WB | |
|---|---|---|---|
| 吸气口 | VG150 / ISO-B160 / CF160 | ||
| 排气口 | KF40 | KF40 | |
| 排气速度 | N₂ (L/s) | 820 | |
| N₂ (附加金属保护网) (L/s) | 750 | ||
| H₂ (L/s) | 650 | ||
| 最大压缩比 | N₂ | 1×10⁸ | |
| H₂ | 1×10⁴ | ||
| 极限压力 | Pa | <1×10⁻⁶ | |
| Torr | <7.5×10⁻⁹ | ||
| 最大气体流量 ※1 ※2 | N₂ (sccm) | 330 | 860 |
| 启动时间 ※2 | min | 7~9 | 5.5~7 |
| 停止时间 ※2 | min | 27~32 | 12~15 |
| 允许辅助压力 | Pa | 330 | |
| Torr | 2.5 | ||
| 推荐辅助泵 | L/min | ≧250 | |
| 安装角度 | 任意 | ||
| 重量 | kg | 26 (VG・ISO-B) / 27 (CF) | |
| 控制器型号 | TC1104A | TC1103 | |
※1:辅助泵的容量是500L/min情况下的最大容许流量。
※2:电源型号不同的话规格也不同。(标准:TC1104)
※3:详细请咨询销售人员。
[ 使用环境温度 ]
极限压力保证环境温度是10~23℃。另外,容许环境温度在空冷情况下是10~32℃,水冷情况下是10~40℃。极限压力保证冷却水温在30℃以下时容许冷却水温是10~35℃。
[ 对应气体种类 ]
由于排气的气体种类不同,可能导致泵内零件的老化。关于对应的气体种类请咨询销售人员。
外观尺寸表

※ 吸气口法兰对称分布于排气口。
※ 未经许可,请勿转载。相关记载会根据产品更新等原因可能会变化,恕不另行通知。
性能曲线
【气体流量】

【排气速度】

※ Sf 为前级泵容量大小。
※ 未经许可,请勿转载。相关记载会根据产品更新等原因可能会变化,恕不另行通知。
控制器


| 控制器型号 | TC1104A | TC1103 |
|---|---|---|
| 输入电压 | AC 100-110 V / AC 200-230 V | AC 200-230 V |
| 相数 | 单相 | 单相 |
| 输入频率 (Hz) | 50/60 | 50/60 |
| 输出频率 (Hz) | 750 | 560 |
| 所需最大电力 (VA) | 560 | 560 |
| 重量 (kg) | 2.7 | 8.2 |
| 通信接口规格 | Parallel I/O・RS232C | Parallel I/O・RS232C |
| 标准配件 | ・输入接头 1个 ・远控接插头 1个 ・通信接插头1个 ・使用说明书 (机身,通信)各1套 |
・输入接头 1个 ・远控接插头 1个 ・通信接插头1个 ・杂波过滤器1个 ・使用说明书 (机身,通信)各1套 |
