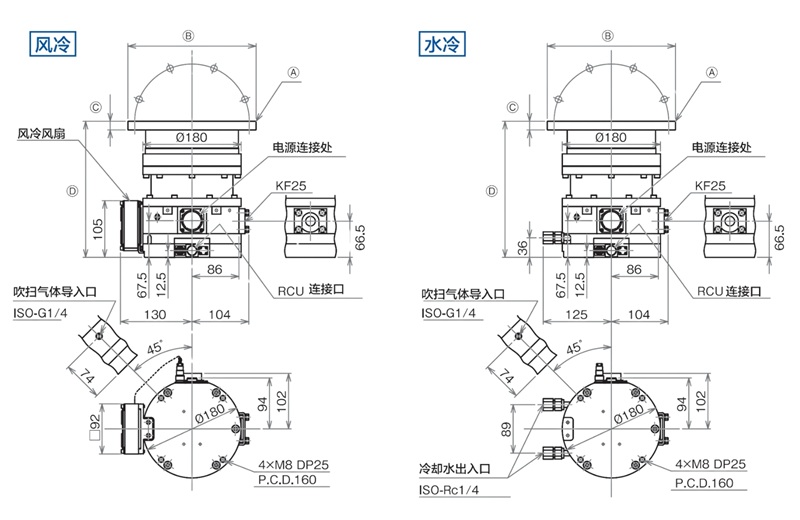
| Ⓐ | Ⓑ | Ⓒ | Ⓓ |
| VG150 | φ235 | 16 | 250 |
| CF160 | φ203 | 22 | 255 |
| ISO-B160 | φ225 | 16 | 255 |
磁悬浮轴承型涡轮分子泵
TG427M
磁悬浮轴承型涡轮分子泵
产品特点
- 省电力设计
- 工作数据,轴承接触次数,机种情报等都可存储于分子泵本体
※进行保养时即使更换控制器,数据也可进行转移 - 多种通信规格(可对应EtherCAT)
- 国际规格符合:CE,SEMI-S2,NRTL规格
用途
- 半导体制造设备
- FPD制造设备
- 太阳能电池制造设备
- 玻璃/镜片等光学部件加工
- 薄膜加工
- 加速器/宇宙环境模拟设备
规格一览
规格
| 型号 ※1 | TG427M | |
|---|---|---|
| 吸气口 | VG150/ISO-B160/CF160 | |
| 排气口 | KF25 | |
| 排气速度 | N₂ (L/s) | 400 |
| N₂ (附加金属保护网) (L/s) | 370 | |
| H₂ (L/s) | 300 | |
| 最大压缩比 | N₂ | 1×10⁸ |
| H₂ | 4.5×10³ | |
| 极限压力 ※4 | Pa | <1×10⁻⁶ (VG・ISO-B) / <1×10⁻⁷ (CF) |
| Torr | <7.5×10⁻⁹ (VG・ISO-B) / <7.5×10⁻¹⁰ (CF) | |
| 最大气体流量 ※2 ※3 | N₂ (sccm) | 2000 |
| Ar (sccm) | 1000 | |
| 启动时间 | min | 2~2.5 |
| 停止时间 | min | 2~3 |
| 允许辅助压力 | Pa | 400 |
| Torr | 3.0 | |
| 推荐辅助泵 | L/min | ≧160 |
| 安装角度 | 任意 | |
| 重量 | kg | 16 (VG・ISO-B) / 19 (CF・耐腐蚀性) |
| 控制器型号 | TC0301M | |
※1: 关于型号,请咨询销售人员。
※2: 1Pa·L/s(25℃)=0.543sccm(0℃、1气压)
※3: 辅助泵抽速320L/min情况下的数值。
※4: 48小时烘烤后得到的数值。
关于耐腐蚀性,反应生成物对应型,请咨询本公司销售人员
外观尺寸表

※未经许可,请勿转载。相关记载会根据产品更新等原因可能会变化,恕不另行通知。
性能曲线
【气体流量】

【排气速度】

※未经许可,请勿转载。相关记载会根据产品更新等原因可能会变化,恕不另行通知。
控制器


| 控制器型号 | TC0301M |
|---|---|
| 输入电压 | AC200~240V (-15~+10%) |
| 相数 | 单相 |
| 输入频率 (Hz) | 50/60 |
| 输出频率 (Hz) | 680 |
| 所需最大电力 (VA) | 400 |
| 重量 (kg) | 8 |
| 通信接口规格 | Parallel I/O・RS232C・RS485・ Profibus・DeviceNet・EtherCAT |
| 标准配件 | ・输入电缆(5m):1本 ・使用说明书(控制器本体、串联通信):各1册 |
