滚珠轴承型涡轮分子泵 产品详情
滚珠轴承型涡轮分子泵

TG240F

脂润滑滚珠轴承涡轮分子泵

产品特点

  • 全方位安装
  • 高H2压缩比
  • 在高背压的情况下也可以连续运转,排气性能安定
  • TG240F:控制器一体型、TG240F-20:控制器分离型
  • 耐振动,可移动正在运转的真空泵

用途

  • 半导体制造
  • 电子枪排气,离子源排气
  • FPD制造
  • 表面处理,表面改质
  • 各种电子部件的制造
  • 分析,试验装置
  • 管球制造,光学部件制造
  • 加速器,放射线设施,核聚变研究
  • 热处理
  • 研究开发

※ 排放腐蚀性气体时,请选择耐腐蚀性的TG-M,TG系列。

规格一览

规格

型号 TG240F TG240F-20
吸气口 ISO-R100 / CF100
排气口 KF25 KF25
排气速度 N₂ (L/s) 240
N₂ (附加金属保护网) (L/s) 230
H₂ (L/s) 160
最大压缩比 N₂ 1×10⁸
H₂ 4×10⁴
极限压力 Pa <1×10⁻⁶ (ISO-R) / <5×10⁻⁷ (CF)
Torr <7.5×10⁻⁹ (ISO-R) / <3.8×10⁻⁹ (CF)
最大气体流量 ※1 N₂ (sccm) 70 70
启动时间 min 5.5~7.5 5.5~7.5
停止时间 min 45~60 45~60
允许辅助压力 Pa 700
Torr 5.3
推荐辅助泵 L/min ≧80
安装角度 任意
重量 kg 【TG240F】7.3 (ISO-R) / 10.5 (CF) 【TG240F-20】6.9 (ISO-R) / 10.1 (CF)
控制器型号 ※2 TC245 TC246

※1:前级泵容量为80L/min时的最大允许气体流量。
※2:可从真空泵与控制器一体化(TC245)和真空泵与控制器分离化(TC246)当中选择

[使用环境温度]
极限压力的保证环境温度为 10 ~ 23°C。真空泵许容环境温度为 8 ~ 38°C。

[适用气体]
根据所用气体的种类,可能会导致轴承润滑脂和内部组件的劣化。有关适用气体的信息,请咨询销售人员。

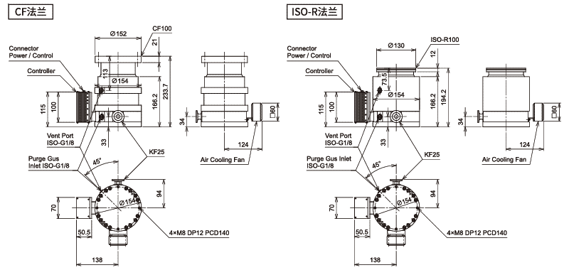
外观尺寸表

※ 吸气口法兰对称分布于排气口。
※ 上记尺寸图为TG240F(控制器一体型)。TG240F-20 为控制器分离型。
※ 未经许可,请勿转载。相关记载会根据产品更新等原因可能会变化,恕不另行通知。

性能曲线

【气体流量】

【排气速度】

※ Sf 为前级泵容量大小。
※ 未经许可,请勿转载。相关记载会根据产品更新等原因可能会变化,恕不另行通知。

控制器

控制器型号 TC245 TC246
输入电压 DC 24 V AC100-230V
相数 单相
输入频率 (Hz) 50/60 50/60
输出频率 (Hz) 800 800
所需最大电力 (VA) 75 (W) 170
重量 (kg) 2.4
通信接口规格 Parallel I/O・RS232C Parallel I/O・RS232C
标准配件 ・输入接头 1个
・远控接插头 1个
・使用说明书:1套
・输入接头 1个
・远控接插头 1个
・使用说明书:1套
适用机种 TG240F TG240F-20
返回产品一览
滚珠轴承型涡轮分子泵
TG240F
返回首页