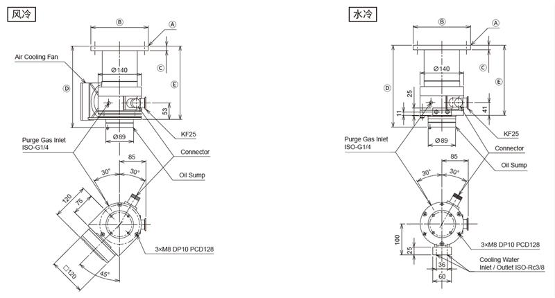
| Ⓐ | Ⓑ | Ⓒ | Ⓓ | Ⓔ |
| VG100 | φ185 | 15 | 264 | 226 |
| CF100 | φ152 | 21 | 264 | 226 |
| ISO-R100 | φ130 | 12 | 262 | 224 |
滚珠轴承型涡轮分子泵
TG203
油润滑轴承型涡轮分子泵
产品特点
- 可提供耐腐蚀气体型分子泵
- 耐大气冲击能力强
- 耐外部振动
- 多种通信模式
- 符合安全规格:NRTL/SEMI-S2/CE
用途
- 半导体制造
- 电子枪排气,离子源排气
- FPD制造
- 表面处理,表面改质
- 各种电子部件的制造
- 管球制造,光学部件制造
- 加速器,放射线设施,核聚变研究
- 热处理
- 研究开发
※ 无油工艺排气请选择TG-F系列、TG-M系列、TGkine系列
规格一览
规格
| 型号 | TG203 | |
|---|---|---|
| 吸气口 | VG100 / CF100 / ISO-R100 | |
| 排气口 | KF25 | |
| 排气速度 | N₂ (L/s) | 200 |
| N₂ (附加金属保护网) (L/s) | 140 | |
| H₂ (L/s) | 150 | |
| 最大压缩比 | N₂ | 1×10⁸ |
| H₂ | 4×10³ | |
| 极限压力 | Pa | <1×10⁻⁶ (VG・ISO-R), <1×10⁻⁷ (CF) |
| Torr | <7.5×10⁻⁹ (VG・ISO-R), <7.5×10⁻¹⁰ (CF) | |
| 最大气体流量 ※1 | N₂ (sccm) | 543 |
| 启动时间 | min | 4~6 |
| 停止时间 | min | 4~6 |
| 允许辅助压力 | Pa | 550 |
| Torr | 4.1 | |
| 推荐辅助泵 | L/min | ≧80 |
| 安装角度 | 垂直(±10°) | |
| 润滑油量 | mL | 70 |
| 重量 | kg | 11 |
| 控制器型号 | TC203A | |
※1:前级泵容量为160L/min时的最大允许气体流量。
[ 使用环境温度]
极限压力的保证环境温度为 10 ~ 23°C。风冷型真空泵许容环境温度为 10 ~ 32°C。水冷型真空泵许容环境温度为 10 ~ 40°C。极限压力保证时的冷却水温为 30℃ 以下,允许的冷却水温范围为 10 ~ 35℃。
[ 适用气体 ]
根据所用气体的种类,可能会导致轴承润滑油和内部组件的劣化。有关适用气体的信息,请咨询销售人员。
外观尺寸表

※进气口法兰螺栓孔为中心线对称分布。
※未经许可,请勿转载。相关记载会根据产品更新等原因可能会变化,恕不另行通知。
性能曲线
【气体流量】

【排气速度】

※ Sf 为前级泵容量大小。
※未经许可,请勿转载。相关记载会根据产品更新等原因可能会变化,恕不另行通知。
控制器


| 控制器型号 | TC203A |
|---|---|
| 输入电压 | AC100-110V / AC200-230V |
| 相数 | 单相 |
| 输入频率 (Hz) | 50/60 |
| 输出频率 (Hz) | 800 |
| 所需最大电力 (VA) | 610 |
| 重量 (kg) | 2.7 |
| 通信接口规格 | Parallel I/O・RS232C |
| 标准配件 | ・输入接插头:1个 ・远控接插头:1个 ・通信接插头:1个 ・使用说明书(本体、通信):各1套 |
