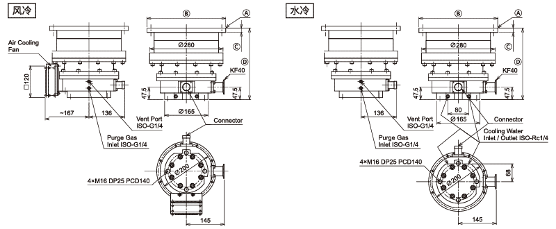
| Ⓐ | Ⓑ | Ⓒ | Ⓓ |
| VG200 | φ300 | 16 | 272 |
| CF200 | φ253 | 25 | 319 |
| ISO-B200 | φ285 | 16 | 300 |
滚珠轴承型涡轮分子泵
TG1400F
脂润滑滚珠轴承涡轮分子泵
产品特点
- 全方位安装
- 轻巧设计
- 节能
- 使用破控功能可迅速停止
- 耐大气冲击能力强
- 多种通信模式
- 符合安全规格:NRTL/SEMI-S2/CE
用途
- 半导体制造
- 电子枪排气,离子源排气
- FPD制造
- 表面处理,表面改质
- 各种电子部件的制造
- 分析,试验装置
- 管球制造,光学部件制造
- 加速器,放射线设施,核聚变研究
- 热处理
- 研究开发
※ 排放腐蚀性气体时,请选择耐腐蚀性的TG-M,TG系列。
规格一览
规格
| 型号 | TG1400F | |
|---|---|---|
| 吸气口 | VG200 / ISO-B200 / CF200 | |
| 排气口 | KF40 | |
| 排气速度 | N₂ (L/s) | 1400 |
| N₂ (附加金属保护网) (L/s) | 1300 | |
| H₂ (L/s) | 750 | |
| 最大压缩比 | N₂ | 1×10⁸ |
| H₂ | 4.3×10³ | |
| 极限压力 | Pa | <1×10⁻⁶ |
| Torr | <7.5×10⁻⁹ | |
| 最大气体流量 ※1 | N₂ (sccm) | 450 |
| 启动时间 | min | 5.5~7 |
| 停止时间 | min | 15~18 |
| 允许辅助压力 | Pa | 330 |
| Torr | 2.5 | |
| 推荐辅助泵 | L/min | ≧250 |
| 安装角度 | 任意 | |
| 重量 | kg | 29 (VG・ISO-R) / 30 (CF) |
| 控制器型号 | TC1103 | |
※1:辅助泵的容量是500L/min情况下的最大容许流量
[ 使用环境温度 ]
极限压力保证环境温度是10~23℃。另外,容许环境温度在空冷情况下是10~32℃,水冷情况下是10~40℃。极限压力保证冷却水温在30℃以下时容许冷却水温是10~35℃。
[ 对应气体种类 ]
由于排气的气体种类不同,可能导致泵内零件的老化。关于对应的气体种类请咨询销售人员。
外观尺寸表

※ 吸气口法兰对称分布于排气口。
※ 未经许可,请勿转载。相关记载会根据产品更新等原因可能会变化,恕不另行通知。
性能曲线
【气体流量】

【排气速度】

※ Sf 为前级泵容量大小。
※ 未经许可,请勿转载。相关记载会根据产品更新等原因可能会变化,恕不另行通知。
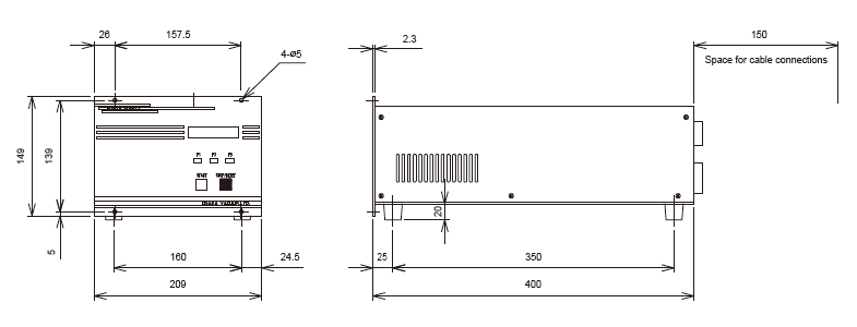
控制器


| 控制器型号 | TC1103 |
|---|---|
| 输入电压 | AC 200-230 V |
| 相数 | 单相 |
| 输入频率 (Hz) | 50/60 |
| 输出频率 (Hz) | 560 |
| 所需最大电力 (VA) | 810 |
| 重量 (kg) | 8.2 |
| 通信接口规格 | Parallel I/O・RS232C |
| 标准配件 | ・输入接头 1个 ・远控接插头 1个 ・通信接插头1个 ・杂波过滤器1个 ・使用说明书 (机身,通信)各1套 |
