| 型 号 | A | B | C |
|---|---|---|---|
| ST050FV060 | VG65 | 590 | 155 |
| ST050FR060 | ISO-R63 | 611 | 155 |
| ST050FC060 | CF63 | 625 | 155 |
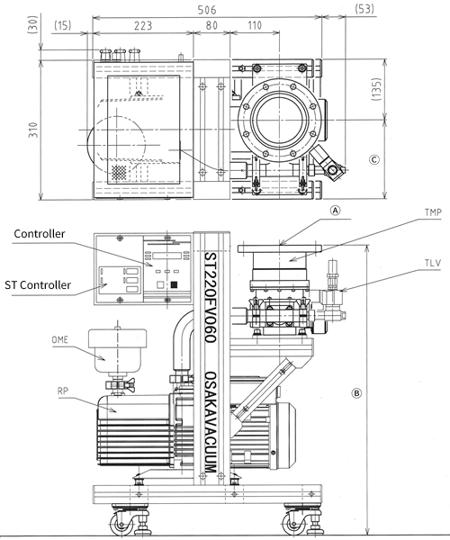
| ST220FV060 | VG100 | 643 | 175 |
| ST220FR060 | ISO-R100 | 643 | 175 |
| ST220FC060 | CF100 | 663 | 175 |
| ST350FV060 | VG100 | 673 | 175 |
| ST350FR060 | ISO-R100 | 657 | 175 |
| ST350FC060 | CF100 | 673 | 175 |
真空排气机组
ST系列(TG-F系列+滑阀真空泵)
涡轮分子泵排气机组
产品特点
- 巧妙组合满足真空排气所需的各类设备,实现涡轮分子泵排气系统
- 简单操作即可排至高真空
- 附带脚轮,可轻松移动至使用场所
- 配备抗干扰性能优异的涡轮分子泵 TG-F 系列,排气机组可在真空泵运行期间移动
※可根据需求提供相应机型
规格一览
规格
| 型号 | ST050F*060 | ST220F*060 | ST350F*060 | |
|---|---|---|---|---|
| 涡轮分子泵 | TG50F | TG220F | TG350F | |
| 排气速度 | N₂ (L/s) | 51 | 220 | 350 |
| N₂ (附加金属保护网) (L/s) | 49 | 210 | 330 | |
| 极限压力 | (Pa) | <3×10⁻⁶ | <1×10⁻⁶ | <1×10⁻⁶ |
| (Torr) | <2.3×10⁻⁸ | <7.5×10⁻⁹ | <7.5×10⁻⁹ | |
| 吸气口 | VG65 / ISO-R63 / CF63 | VG100 / ISO-R100 / CF100 | VG100 / ISO-R100 / CF100 | |
| 辅助泵 | 旋片真空泵 67 / 80 L/min (50/60Hz) | 旋片真空泵 67 / 80 L/min (50/60Hz) | 旋片真空泵 67 / 80 L/min (50/60Hz) | |
| 冷却方式 | 强制风冷 | |||
| 电源 | 单相、AC100V/200V | |||
| 标准配置 | ・涡轮分子泵:TG50F ~ TG350F ・前级泵:旋片真空泵 ・控制器 ・ST 控制器 ・真空配管:波纹管、弯头、卡箍等 ・自动慢泄阀 ・油雾过滤器 ・铝合金骨架(带脚轮) |
|||
※1:附带油雾过滤器、前级泵无吸气口过滤器
除标准规格外,我们还可根据客户需求定制排气单元。详情请咨询我司销售人员。
外观尺寸表

※未经许可,请勿转载。相关记载会根据产品更新等原因可能会变化,恕不另行通知。
