罗茨真空泵
RD2500/RD2510
电机直连型罗茨真空泵
产品特点
- 设计紧凑,易于串联成真空泵组。
- 泵体与电机直连,结构紧凑且重量轻
- 可凝结性气体不在内部凝结,并能在满负荷下实现连续运转。
用途
- 半导体、FPD
- 真空镀膜
- 金属、钢铁、产业机器
- 医疗、化学、医药品、食品
- 研究开发
规格一览
规格
| 型号 | RD2500 | RD2510 | |
|---|---|---|---|
| 吸气口 | 200A JIS10KFF | ||
| 额定排气速度 (50/60Hz) ※1 | ㎥/h | 2070/2500 | |
| 容许压力差 [使用标准电机时] (kPa) | 50/60Hz | 4.5 | 19/16 |
| 极限压力 (Pa) | 单级滑阀泵为前级时 | 7×10⁻² | |
| 双极滑阀泵为前级时 | 1.3×10⁻² | ||
| 前级泵的基本排气速度 (㎥/h) | 450~600 | ||
| 转速 (r/min) | 50/60Hz | 1500/1800 | |
| 标准电机功率 (kW) | 5.5 | 15 | |
| 油量 (L) | 6.2 | ||
| 冷却水量 (㎥/h) ※2 | 0.4 | ||
| 重量 (kg) | 附带全封闭式风扇外置型电机 | 690 | 750 |
| 无电机 | 620 | ||
※1:实际排气速度根据使用的前级泵不同会有所变化,详细请咨询我司销售人员。
※2:冷却水温最高30℃
容许的环境温度:运行时为+10℃~+40℃、保管时为-5℃~+60℃。
请将水排净,以防保管真空泵时产生冻裂。
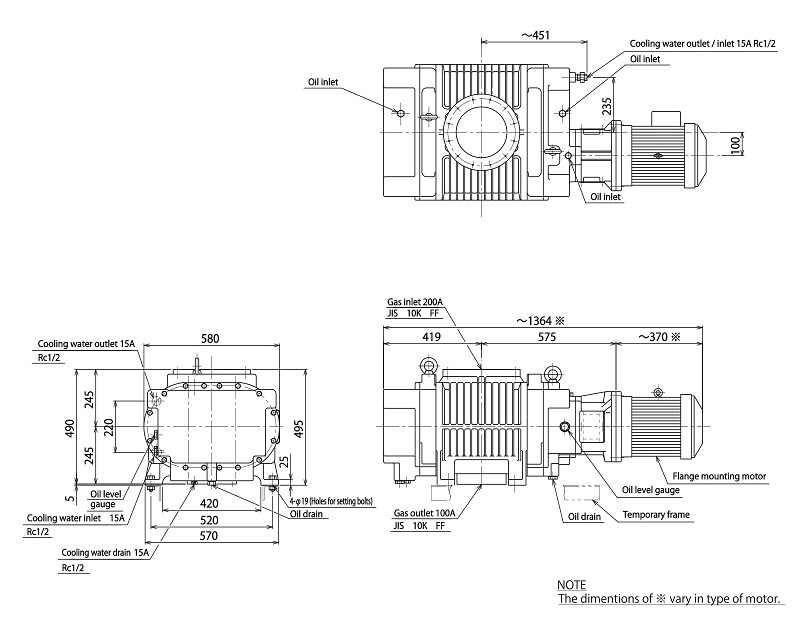
外观尺寸表

※未经许可,请勿转载。相关记载会根据产品更新等原因可能会变化,恕不另行通知。
