罗茨真空泵 产品详情
罗茨真空泵

RD1200

电机直连型罗茨真空泵

产品特点

  • 设计紧凑,易于串联成真空泵组。
  • 泵体与电机直连,结构紧凑且重量轻
  • 可凝结性气体不在内部凝结,并能在满负荷下实现连续运转。

用途

  • 半导体、FPD
  • 真空镀膜
  • 金属、钢铁、产业机器
  • 医疗、化学、医药品、食品
  • 研究开发

规格一览

规格

型号 RD1200
吸气口 100A JIS10KFF
额定排气速度 (50/60Hz) ※1 ㎥/h 1000/1200
容许压力差 [使用标准电机时] (kPa) 50/60Hz 5.3/4.7
极限压力 (Pa) 单级滑阀泵为前级时 7×10⁻²
双极滑阀泵为前级时 1.3×10⁻²
前级泵的基本排气速度 (㎥/h) 180~220
转速 (r/min) 50/60Hz 3000/3600
标准电机功率 (kW) 3.7
油量 (L) 2.7
冷却水量 (㎥/h) ※2 0.4
重量 (kg) 附带全封闭式风扇外置型电机 280
无电机 230

※1:实际排气速度根据使用的前级泵不同会有所变化,详细请咨询我司销售人员。
※2:冷却水温最高30℃
容许的环境温度:运行时为+10℃~+40℃、保管时为-5℃~+60℃。
请将水排净,以防保管真空泵时产生冻裂。

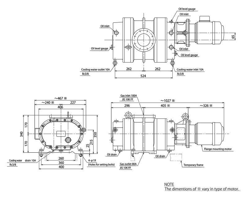
外观尺寸表

※未经许可,请勿转载。相关记载会根据产品更新等原因可能会变化,恕不另行通知。

返回罗茨真空泵
罗茨真空泵
RD1200
返回首页