滑阀真空泵 产品详情
滑阀真空泵

P90

滑阀式滑阀真空泵

产品特点

  • 在高压强下也能连续运转
  • 耐于真空大气的频繁切换
  • 坚固的排气阀
  • 通过流量计可以确认油循环状况
  • 通过视窗可以确认油量
  • 环保的油分离器
  • 排气阀的安装易于点检及维护
  • 油箱口大易于清扫
  • 废油处理简单
  • 轴承部维修方便

规格一览

规格

型号 P90
吸气口 50A JIS10KFF
额定排气速度 (50/60Hz) ㎥/h 90
L/min 1500
可连续运转的吸气口压力 (kPa) ≦7
容许排气口压力 (kPa) ≦120
极限压力 (Pa) 0.7
到达可连续运转的吸气口压力前,对真空泵的限制(参考数据) ※1 时间 (min) ≦30
容积 (㎥) ≦15
转速 (r/min) 50/60Hz 410
标准电机功率 (kW) 2.2
油量 (L) 5
冷却方式 空冷
重量 (kg) 附带全封闭式风扇外置型电机 200
无电机 165

※1:数值为不考虑发生气体泄漏与放气的密封容器之上,从大气压排气时的容许时间以及容积。
●容许的环境温度:运行时为+10℃~+40℃、保管时为-5℃~+60℃。
●请将水排净,以防保管真空泵时产生冻结。

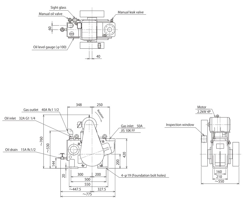
外观尺寸表

※未经许可,请勿转载。相关记载会根据产品更新等原因可能会变化,恕不另行通知。

性能曲线

※未经许可,请勿转载。相关记载会根据产品更新等原因可能会变化,恕不另行通知。

返回产品一览
滑阀真空泵
P90
返回首页